Вимірювання та якість електроенергії
Промислова автоматизація та керування
Каталог товарів
Автоматичні вимикачі захисту двигуна
Автомат захисту двигуна LS ELECTRIC MMS-63S 26A METASOL EXP
Артикул: 0706100500
Немає в наявності
За запитом
Повідомити
Доставка
Оплата
Гарантія та умови повернення
Самовивіз з нашого складу
безкоштовно
«Новою поштою» по Україні
за тарифами перевізника
 Кур'єром до дверей
від 70 грн.
Кредитною карткою
Розрахунковий рахунок
Повернення товару протягом 14 днів
Опис
Характеристики
Документи

Ручні пускачі двигунів LS (MMS) — це продукт захисту двигуна з високою продуктивністю та надійністю. Цей продукт має вищу технологію та досвід, ніж існуючий Meta-MEC MMS завдяки наявним функціям захисту від перевантаження та обриву фази, оновленим можливостям короткого замикання та якості. Крім того, всі умови користувача були виконані відповідно до стандартів IEC і UL

Характеристики
Бренд :
LS ELECTRIC
Вага :
1 кг
Висота :
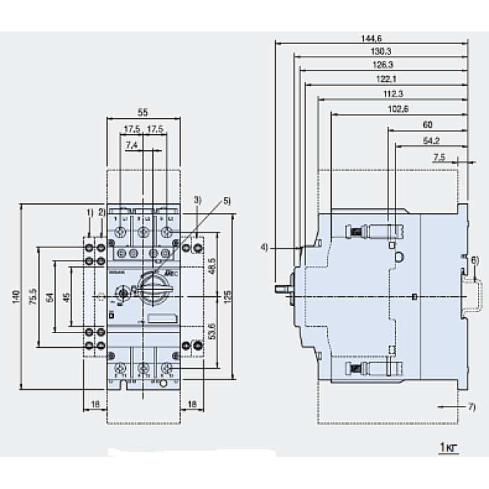
140 мм
Глибина :
144.6 мм
Кількість полюсів :
3P
Країна походження :
Південна Корея
Країна реєстрації бренду :
Південна Корея
Механічна міцність :
50 000
Номінальна потужність :
11 кВт
Номінальний струм :
22–26 А
Стандарти :
CE, CCC, UL, EAC, Marine, KC
Ступінь забруднення :
3
Ступінь захисту :
IP40
Температура експлуатації :
-20...+60 °C
Температура зберігання :
-40...+70 °C
Частота мережі :
50 Гц
Ширина :
55 мм
Аксесуари
Додатковий контакт LS ELECTRIC LA 1NO 1NC
Артикул: 83011941002
За запитом
Додатковий контакт LS ELECTRIC FX, 2NO
Артикул: 83361941001
За запитом
Додатковий контакт LS ELECTRIC FX, 1NO+1NC
Артикул: 83361941002
За запитом
Додатковий контакт LS ELECTRIC LX , 1NO+1NC
Артикул: 83361941005
За запитом
Додатковий контакт LS ELECTRIC FX, 2NC
Артикул: 83361941003
За запитом
Додатковий контакт LS ELECTRIC LX 2NC
Артикул: 83361941006
За запитом
Додатковий контакт LS ELECTRIC LA 2NO
Артикул: 83011941001
За запитом
Додатковий контакт LS ELECTRIC LA 2NC
Артикул: 83011941003
За запитом
Додатковий контакт LS ELECTRIC LAM 2NO
Артикул: 83011941004
За запитом
Додатковий контакт LS ELECTRIC LAM 1NO 1NC
Артикул: 83011941005
За запитом
Додатковий контакт LS ELECTRIC LAM 2NC
Артикул: 83011941006
За запитом
Дивіться також
Автомат захисту двигуна ISKRA MS32 32A
Акція
Автомат захисту двигуна ISKRA MS32 32A
Артикул: 030108771000
3345 грн
GV2P10 АВТ.ВИМИКАЧ З КОМБ.РОЗЧІП.4-6,3
Акція
Автомат захисту двигуна ISKRA MS32 27A
Акція
Автомат захисту двигуна ISKRA MS32 27A
Артикул: 030108770000
2870 грн
GV2P14 АВТ.ВИМИКАЧ З КОМБ.РОЗЧІП.6-10
Акція
Автомат захисту двигуна ISKRA MS32 23A
Акція
Автомат захисту двигуна ISKRA MS32 23A
Артикул: 030108769000
2634 грн
Автомат захисту двигуна ISKRA MS32 2,5A
Акція
Автомат захисту двигуна ISKRA MS32 2,5A
Артикул: 030108763000
2110 грн
Автомат захисту двигуна ISKRA MS32 18A
Акція
Автомат захисту двигуна ISKRA MS32 18A
Артикул: 030108768000
2341 грн
GV2P08 АВТ.ВИМИКАЧ З КОМБ.РОЗЧІП.2,5-4
Акція
Автомат захисту двигуна ISKRA MS32 0,16A
Акція
Автомат захисту двигуна ISKRA MS32 0,16A
Артикул: 030108757000
1702 грн
Відгуки (0)
Написати відгук
Разом із цим товаром купують
Автоматичний вимикач LS ELECTRIC ABS1203b 3P 1200A 100kA
Акція
Контактор ISKRA KNL-30-00/220/240V/50/60Hz
Акція
Контактор ISKRA KNL-30-00/220/240V/50/60Hz
Артикул: 030050471000
1593 грн
Контактор LS ELECTRIC MC-32A AC380V 50Hz SCREW 1a1b
Артикул: 1336008800
За запитом
Контактор LS ELECTRIC MC-32A AC220V 50Hz SCREW 1a1b
Артикул: 1336008500
Очікується
Контактор LS ELECTRIC MC-32A Screw AC220V 50Hz
Артикул: 1336002300
Очікується
Трансформатори струму
Wave Plus
Тримачі запобіжників
Контактори