Вимірювання та якість електроенергії
Промислова автоматизація та керування
Каталог товарів
Автоматичні вимикачі захисту двигуна
Автомат захисту двигуна LS ELECTRIC MMS-32S 0.4A METASOL EXP
Артикул: 0705100300
Немає в наявності
За запитом
Повідомити
Доставка
Оплата
Гарантія та умови повернення
Самовивіз з нашого складу
безкоштовно
«Новою поштою» по Україні
за тарифами перевізника
 Кур'єром до дверей
від 70 грн.
Кредитною карткою
Розрахунковий рахунок
Повернення товару протягом 14 днів
Опис
Характеристики
Документи

Ручні пускачі двигунів LS (MMS) — це продукт захисту двигуна з високою продуктивністю та надійністю. Цей продукт має вищу технологію та досвід, ніж існуючий Meta-MEC MMS завдяки наявним функціям захисту від перевантаження та обриву фази, оновленим можливостям короткого замикання та якості. Крім того, всі умови користувача були виконані відповідно до стандартів IEC і UL

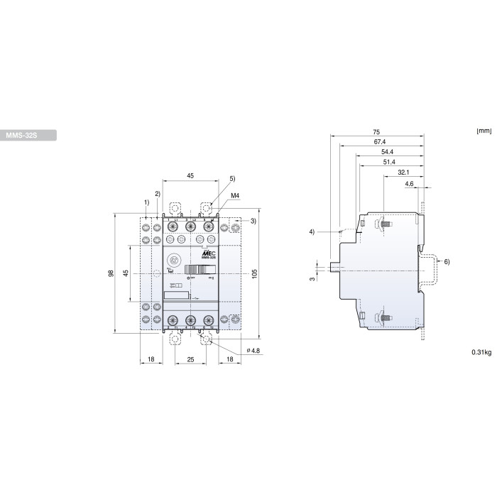
Характеристики
Бренд :
LS ELECTRIC
Вага :
320 кг
Висота :
105 мм
Встановлення на DIN-рейку :
Так
Глибина :
75 мм
Кількість полюсів :
3P
Країна походження :
Південна Корея
Країна реєстрації бренду :
Південна Корея
Механічна міцність :
100 000
Номінальна імпульсна напруга :
6000 В
Номінальна напруга :
220–690 В
Номінальна потужність :
0.25–0.4 кВт
Номінальний струм :
0.1 А
Стандарти :
CE, CCC, UL, EAC, Marine, KC
Ступінь забруднення :
3
Ступінь захисту :
IP40
Температура експлуатації :
-20...+60 °C
Температура зберігання :
-40...+80 °C
Частота мережі :
50 Гц
Ширина :
45 мм
Аксесуари
Додатковий контакт LS ELECTRIC LA 1NO 1NC
Артикул: 83011941002
За запитом
Додатковий контакт LS ELECTRIC FX, 2NO
Артикул: 83361941001
За запитом
Додатковий контакт LS ELECTRIC FX, 1NO+1NC
Артикул: 83361941002
За запитом
Додатковий контакт LS ELECTRIC LX , 1NO+1NC
Артикул: 83361941005
За запитом
Додатковий контакт LS ELECTRIC FX, 2NC
Артикул: 83361941003
За запитом
Додатковий контакт LS ELECTRIC LX 2NC
Артикул: 83361941006
За запитом
Додатковий контакт LS ELECTRIC LA 2NO
Артикул: 83011941001
За запитом
Додатковий контакт LS ELECTRIC LA 2NC
Артикул: 83011941003
За запитом
Додатковий контакт LS ELECTRIC LAM 2NO
Артикул: 83011941004
За запитом
Додатковий контакт LS ELECTRIC LAM 1NO 1NC
Артикул: 83011941005
За запитом
Додатковий контакт LS ELECTRIC LAM 2NC
Артикул: 83011941006
За запитом
Дивіться також
Автомат захисту двигуна ISKRA MS25 25A
Артикул: 030107967000
1970 грн
Автомат захисту двигуна ISKRA MS32 0,4A
Акція
Автомат захисту двигуна ISKRA MS32 0,4A
Артикул: 030108759000
1895 грн
Автомат захисту двигуна ISKRA MS25 20A
Артикул: 030107966000
1674 грн
Автомат захисту двигуна ISKRA MS32 0,63A
Акція
Автомат захисту двигуна ISKRA MS32 0,63A
Артикул: 030108760000
1982 грн
Автомат захисту двигуна ISKRA MS25 10A
Артикул: 030107964000
1545 грн
Автомат захисту двигуна ISKRA MS32 1A
Акція
Автомат захисту двигуна ISKRA MS32 1A
Артикул: 030108761000
2121 грн
Автомат захисту двигуна ISKRA MS25 16A
Артикул: 030107965000
1544 грн
Автомат захисту двигуна ISKRA MS32 1,6A
Акція
Автомат захисту двигуна ISKRA MS32 1,6A
Артикул: 030108762000
2121 грн
Автомат захисту двигуна ISKRA MS25 2,5A
Артикул: 030107961000
1494 грн
Автомат захисту двигуна ISKRA MS32 6,3A
Акція
Автомат захисту двигуна ISKRA MS32 6,3A
Артикул: 030108765000
2121 грн
Відгуки (0)
Написати відгук
Разом із цим товаром купують
Автоматичний вимикач LS ELECTRIC ABS1203b 3P 1200A 100kA
Акція
Контактор LS ELECTRIC MC-9A AC220V 50Hz SCREW 1A
Артикул: 1316002300
За запитом
Трансформатори струму
Wave Plus
Тримачі запобіжників
Контактори