Вимірювання та якість електроенергії
Захист та комутація електромереж
Промислова автоматизація та керування
Каталог товарів
Аналізатори мережі
Аналізатор мережі модульний FRER NaNo 1-5A RS485
Артикул: Q52C3LX60M24L
Немає в наявності
38649 грн
Повідомити
Доставка
Оплата
Гарантія та умови повернення
Самовивіз з нашого складу
безкоштовно
«Новою поштою» по Україні
за тарифами перевізника
 Кур'єром до дверей
від 70 грн.
Кредитною карткою
Розрахунковий рахунок
Повернення товару протягом 14 днів
Опис
Характеристики
Документи

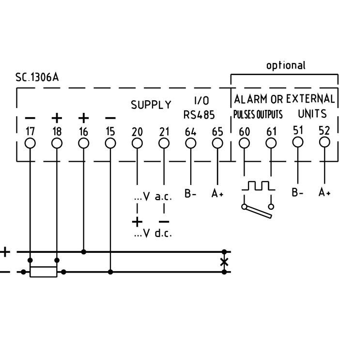
Аналізатор мережі модульний FRER NaNo 1-5 A RS485 використовується для комплексного аналізу параметрів електричних мереж у промислових, комерційних та житлових об’єктах. Завдяки модульному виконанню прилад легко інтегрується в електрощитові системи та забезпечує безперервний контроль стану мережі.

Основні характеристики:

  • Клас точності: 0.2
  • Напруга живлення: 220–240 (змінного струму) В
  • Власне споживання|Вт: 3 Вт
  • Вхідний струм: 1-5 А
  • Коефіцієнт макс. ТТ: 15000
  • Коефіцієнт макс. ТН: 1000
  • Втрати в ланцюзі струму: <0.5 Вт
  • Втрати в ланцюзі напруги: <0.5 Вт
  • Тип включення: Двопровідний
  • Дисплей: LCD
  • Тип: Аналізатор мережі модульний
  • Тип встановлення: Модульний (на DIN-рейку)
  • Серія: NaNo
  • Бренд: FRER

Застосування: контроль енергоспоживання, моніторинг якості електроенергії, виявлення перевантажень та дисбалансу фаз у системах електропостачання.

✅ Прилади FRER гарантують точність, надійність і довговічність, відповідаючи сучасним вимогам енергоменеджменту.

Характеристики
Вимір гармонік THD :
Ні %
Вимірювання частоти :
Ні Гц
Випробувальна напруга :
2 кВ, 50 Гц, 60 с
Виходи :
Опція
Власне споживання :
3 Вт
Вогнетривкість :
UL 94-V0
Втрати в ланцюзі напруги :
<0.5 Вт
Втрати в ланцюзі струму :
<0.5 Вт
Вхідна напруга :
100...400 В
Вхідний діапазон :
10-120 % Un, 5-120 % In В
Вхідний струм :
шунт 60 (мВ) А
Входи :
Опція
Габаритні розміри :
90 х 54 мм
Гальванічна розв'язка :
Повна
Температура експлуатації :
0...+23...+50 °C
Тривале перевантаження :
2 x In; 1.2 x Un А
Енергія вимірювання :
Так (±A, ±R)
Напруга живлення :
220...240 (змінного струму) В
Інтерфейси зв'язку :
RS485 ModBus RTU
Кількість рівнів яскравості дисплея :
5 рівнів шт
Клас точності :
0.2
Коефіцієнт макс. TН :
1000
Коефіцієнт макс. ТТ :
15000
Короткочасне перевантаження :
20 x In; 2 x Un (300 мсек.)
Країна походження :
Італія
Країна реєстрації бренду :
Італія
Лічильник мотогодин :
Так
Максимальне відображуване значення дисплея :
9999
Максимальне споживання :
Так кВт
Робоча частота :
45-65 Гц
Середня потужність :
Так Вт
Серія :
Q52 NaNo
Ступінь захисту корпусу :
50 IP
Ступінь захисту терміналів :
20 IP
Сумарна потужжність (P, R, S) :
Так Вт
Температура зберігання :
-30...+70 °C
Тип :
Аналізатор мережі модульний
Тип вимірювання :
TRMS
Тип включення :
1 фазний
Тип встановлення :
Модульний (на DIN-рейку)
Тип дисплею :
LCD
Час оновлення дисплея :
500 мс
Бренд :
FRER
Вимірювана напруга :
Шунт/60 (мВ)
Дивіться також
Аналізатор мережі Janitza, 2 вих., RS-485
Акція
Аналізатор мережі Janitza, 2 вих., RS-485
Артикул: 52.22.061
Очікується
Аналізатор мережі Janitza, 2 вих., RS-485/USB/Profibus, 256Мб
Акція
Аналізатор Klemsan KLEA 220P
Артикул: 0.0.0.6.06160
13490 грн
Аналізатор мережі модульний FRER NaNo 1-5A RS485
Акція
Аналізатор мережі Klemsan KLEA 322P
Артикул: 0.0.0.6.06102
26451 грн
Аналізатор мережі модульний FRER MCU 1-5A 100-400V
Акція
Аналізатор якості електромережі BMR
Акція
Мультиметр щитовий Vector VS IQ Meter VCF
Новинка
Мультиметр щитовий Vector VS IQ Meter VCF
Артикул: IQM3B023RH
2776 грн
Відгуки (0)
Написати відгук
Wave Plus
Тримачі запобіжників
Контактори