Вимірювання та якість електроенергії
Промислова автоматизація та керування
Каталог товарів
Трансформатори струму
Трансформатор струму високоточний FRER 64х30 1000/5A (0,2=5VA)
Артикул: TAT0631K0J05
Немає в наявності
8227 грн
Повідомити
Доставка
Оплата
Гарантія та умови повернення
Самовивіз з нашого складу
безкоштовно
«Новою поштою» по Україні
за тарифами перевізника
 Кур'єром до дверей
від 70 грн.
Кредитною карткою
Розрахунковий рахунок
Повернення товару протягом 14 днів
Опис
Характеристики
Документи

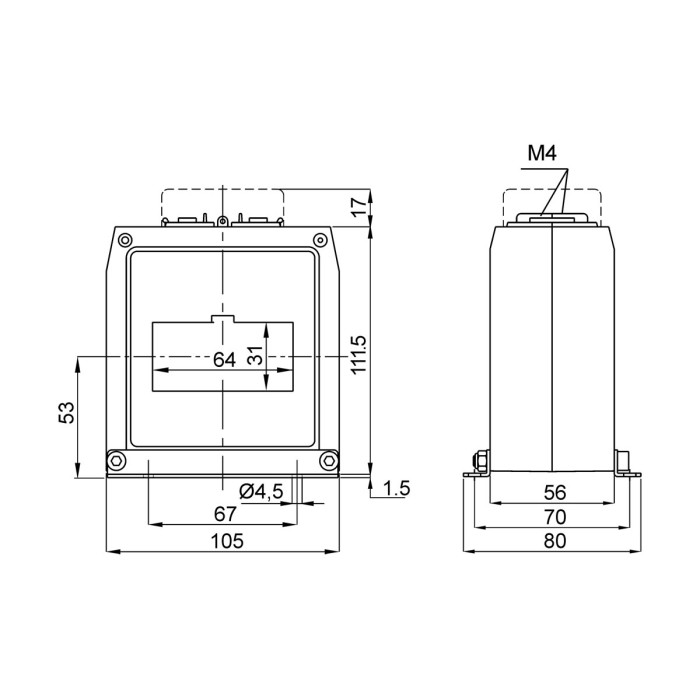
TAT0631K0J05 Трансформатор струму високоточний 64х30 1000/5A (0,2=5VA)

Характеристики
Бренд :
FRER
Тип :
Прохідний
Клас точності :
0.2
Первинний струм :
1000 А
Вторинний струм :
5 А
Отвір для шини :
64 × 30 мм
Для шини шириною :
60 мм
Отвір для кабелю :
Ні мм
Монтаж на панель :
Так
Встановлення на DIN-рейку :
Немає
Коефіцієнт трансформації :
1000/5
Ступінь захисту :
IP20
Випробувальна напруга :
3 кВ (50 Гц)
Клас ізоляції :
Клас E
Напруга ізоляції :
0.72 (кВ) В
Динамічна стійкість :
2.5 x Ith
Тривале перевантаження :
1.2 In А
Температура експлуатації :
-25...+50 °C
Сертифікати :
IEC/EN 61869-1, IEC/EN 61869-2
Фіксація шиною :
Немає
Максимальний переріз приєднання вторинних кіл :
6 мм²
Матеріал :
UL 94-V0
Частота мережі :
50...60 Гц
Середнє напрацювання на відмову :
300 000 г, термін експлуатації 25 років год
Серія :
TAT063
Система фіксації шпильками :
Немає
Країна реєстрації бренду :
Італія
Країна походження :
Італія
Температура зберігання :
-40...+80 °C
Дивіться також
Відгуки (0)
Написати відгук
Переглянуті товари
Трансформатори струму
Wave Plus
Тримачі запобіжників
Контактори