Вимірювання та якість електроенергії
Промислова автоматизація та керування
Каталог товарів
Кінцеві вимикачі
Кінцевий вимикач COMEPI з металевим плунжером NO+NC
Артикул: AP1T12Z11
В наявності
607 грн
Замовлення кратне 1-му
Купити У кошику
Купити в 1 клік
Доставка
Оплата
Гарантія та умови повернення
Самовивіз з нашого складу
безкоштовно
«Новою поштою» по Україні
за тарифами перевізника
 Кур'єром до дверей
від 70 грн.
Кредитною карткою
Розрахунковий рахунок
Повернення товару протягом 14 днів
Опис
Характеристики
Документи

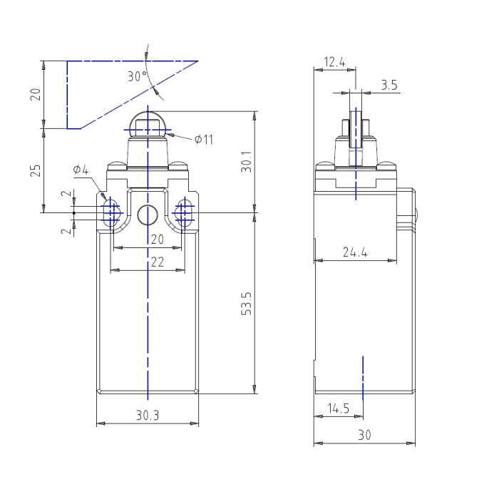
AP1T12Z11 Кінцевий вимикач з металевим плунжером NO+NC

Характеристики
Бренд :
COMEPI
Вироблення (вимірюється після більш ніж 1 мільйона операцій) :
0.1 мм (після закриття)
Гарантійний термін :
12 місяців
Електричне з'єднання :
Кабельний ввід під PG13.5
Захист електричного удару :
Класс II
Кліматична стійкість :
25g (1/2 синусоїдального удару протягом 11 мс)без зміни контактного положення
Клеми з'єднання :
2 гвинта M3.5 (+, -) с кабельним затискачем
Коефіцієнт навантаження :
0.5
Колір :
Сірий
Контакти :
1NO+1NC
Контактний блок :
Миттєва дія
Країна походження :
Італія
Країна реєстрації бренду :
Італія
Мінімальна швидкість роботи :
Миттєве спрацьовування 0,060 / Повільне спрацьовування 0,001 м/с
Матеріал :
Посилений термопластик
Механічна міцність :
15 млн. операцій
Монтажне положення :
Усі позиції дозволені
Напруга ізоляції :
500 В
Номінальна імпульсна напруга :
6000 В
Номінальний струм :
24 В - 10 A / 120 В - 6 A / 400 В - 4 А
Номінальний струм - постійний струм :
24В - 6A / 125В - 0.55A / 250В - 0.4 А
Опір між контактами :
25 Ом
Переріз кабеля :
0.75...2.5 мм²
Стійкість до вібрацій :
25g (10 ... 500 Гц)без зміни положення контакту більше 100 мкс
Ступінь забруднення :
3
Ступінь захисту :
IP65
Температура експлуатації :
-25...+70 °C
Температура зберігання :
-30...+80 °C
Термінальна маркування :
Згідно EN 50 013
Тип робочої голови :
Металевий роликовий плунжер
Частота комутації :
1 Гц
Ширина :
30 мм
Дивіться також
Відгуки (0)
Написати відгук
Переглянуті товари
EZC400N3400N АВТ.ВИМ.EASYPACT EZC400N 3P3D 36кА 400А
Акція
EZC400N3400N АВТ.ВИМ.EASYPACT EZC400N 3P3D 36кА 400А
Артикул: EZC400N3400N
29306 грн
Разом із цим товаром купують
Реле інтерфейсне Klemsan KPR-SCE-230VAC/DC-1C
Артикул: 0.0.0.2.70850
580 грн
Шинотрмичі
Трансформатори струму
Wave Plus
Тримачі запобіжників