Вимірювання та якість електроенергії
Захист та комутація електромереж
Промислова автоматизація та керування
Каталог товарів
Кінцеві вимикачі
Кінцевий вимикач COMEPI з металевим плунжером NO+NC
Артикул: AP1T11Z11
Немає в наявності
546 грн
Повідомити
Доставка
Оплата
Гарантія та умови повернення
Самовивіз з нашого складу
безкоштовно
«Новою поштою» по Україні
за тарифами перевізника
 Кур'єром до дверей
від 70 грн.
Кредитною карткою
Розрахунковий рахунок
Повернення товару протягом 14 днів
Опис
Характеристики
Документи

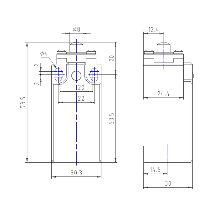
AP1T11Z11 Кінцевий вимикач з металевим плунжером NO+NC

Характеристики
Бренд :
COMEPI
Вироблення (вимірюється після більш ніж 1 мільйона операцій) :
0.1 мм (після закриття)
Гарантійний термін :
12 місяців
Електричне з'єднання :
Кабельний ввід під PG13.5
Захист електричного удару :
Класс II
Кліматична стійкість :
25g (1/2 синусоїдального удару протягом 11 мс)без зміни контактного положення
Клеми з'єднання :
2 гвинта M3.5 (+, -) с кабельним затискачем
Коефіцієнт навантаження :
0.5
Колір :
Сірий
Контакти :
1NO+1NC
Контактний блок :
Миттєва дія
Країна походження :
Італія
Країна реєстрації бренду :
Італія
Мінімальна швидкість роботи :
Миттєве спрацьовування 0,060 / Повільне спрацьовування 0,001 м/с
Матеріал :
Посилений термопластик
Механічна міцність :
15 млн. операцій
Монтажне положення :
Усі позиції дозволені
Напруга ізоляції :
500 В
Номінальна імпульсна напруга :
6000 В
Номінальний струм :
24 В - 10 A / 120 В - 6 A / 400 В - 4 А
Номінальний струм - постійний струм :
24В - 6A / 125В - 0.55A / 250В - 0.4 А
Опір між контактами :
25 Ом
Переріз кабеля :
0.75...2.5 мм²
Стійкість до вібрацій :
25g (10 ... 500 Гц)без зміни положення контакту більше 100 мкс
Ступінь забруднення :
3
Ступінь захисту :
65 IP
Температура експлуатації :
-25...+70 °C
Температура зберігання :
-30...+80 °C
Термінальна маркування :
Згідно EN 50 013
Тип робочої голови :
Металевий плунжер
Частота комутації :
1 Гц
Ширина :
30 мм
Дивіться також
Кінцевий вимикач 1NO+1NC Comepi
Артикул: AM1F51Z11
986 грн
Відгуки (0)
Написати відгук
Разом із цим товаром купують
Компактні проміжне реле IMO 2PCO, 8A, 230VAC, LED
Акція
Реле інтерфейсне Klemsan KPR-SCE-230VAC/DC-1C
Артикул: 0.0.0.2.70850
572 грн
Трансформатори струму
Wave Plus
Тримачі запобіжників
Контактори