Вимірювання та якість електроенергії
Захист та комутація електромереж
Промислова автоматизація та керування
Каталог товарів
Запобіжники
Запобіжник пробковий Italweber 20А 500В
Артикул: 1221020
В наявності
49 грн
Замовлення кратне 1-му
Купити У кошику
Купити в 1 клік
Доставка
Оплата
Гарантія та умови повернення
Самовивіз з нашого складу
безкоштовно
«Новою поштою» по Україні
за тарифами перевізника
 Кур'єром до дверей
від 70 грн.
Кредитною карткою
Розрахунковий рахунок
Повернення товару протягом 14 днів
Опис
Характеристики
Документи

Запобіжник пробковий Italweber 20А 500В призначений для захисту електроустановок від перевантажень і струмів короткого замикання. Використовується у промислових та комерційних електричних мережах для забезпечення безпеки обладнання та персоналу.

Основні характеристики:
  • Номінальний струм: 20 А
  • Номінальна напруга: 500 (AC) В
  • Відключаюча здатність: 50 кА
  • Часо-струмова характеристика: F (швидкий) тип
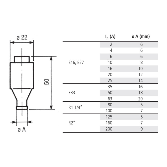
  • Типорозмір: E27 (DII)
  • Бренд: Italweber

Переваги: висока відключаюча здатність, надійний захист обладнання, простота заміни запобіжника, можливість візуального контролю спрацювання.

Ножові запобіжники від Italweber застосовуються для захисту трансформаторів, кабельних ліній, електродвигунів та іншого силового обладнання, забезпечуючи безпечну та безперебійну роботу електричних систем.

✅ Гарантія якості: Продукція Italweber відповідає високим європейським стандартам якості та безпеки.

Характеристики
Тип :
Пробковий
Типорозмір :
E27 (DII)
Часо-струмова характеристика :
F (швидкий) тип
Номінальний струм :
20 А
Номінальна напруга :
500 (AC) В
Відключаюча здатність :
50 кА
Бренд :
Italweber
Кількість в пакуванні :
10 шт
Контакти :
Посріблені
Матеріал ізоляції :
Стеатит (кераміка)
Країна реєстрації бренду :
Італія
Країна походження :
Італія
Дивіться також
Ножовий запобіжник Italweber gG NH3 630A
Акція
Ножовий запобіжник Italweber gG NH3 630A
Артикул: 1630630
1703 грн
Ножовий запобіжник SIBA gG NH3 315A
Акція
Ножовий запобіжник SIBA gG NH3 315A
Артикул: S20 005 13.315
1219 грн
Ножовий запобіжник SIBA gG NH00 160A
Артикул: S20 001 13.160
360 грн
Запобіжник Italweber D0 gl 65A (400V AC/ 250V DC)
Акція
DF2CN02 ЗАПОБІЖНИК 10X38 GF 2A
Акція
DF2CN02 ЗАПОБІЖНИК 10X38 GF 2A
Артикул: DF2CN02
83 грн
Запобіжник Ножовий Vector VS GENESIS NH00 40А 500V AC gG
Новинка
Ножовий запобіжник Italweber gG NH3 400A
Акція
Ножовий запобіжник Italweber gG NH3 400A
Артикул: 1630400
1482 грн
Відгуки (0)
Написати відгук
Трансформатори струму
Wave Plus
Тримачі запобіжників
Контактори