Вимірювання та якість електроенергії
Захист та комутація електромереж
Промислова автоматизація та керування
Каталог товарів
Запобіжники
Запобіжник пробковий Italweber 16А 500В
Артикул: 1221016
В наявності
49 грн
Замовлення кратне 1-му
Купити У кошику
Купити в 1 клік
Доставка
Оплата
Гарантія та умови повернення
Самовивіз з нашого складу
безкоштовно
«Новою поштою» по Україні
за тарифами перевізника
 Кур'єром до дверей
від 70 грн.
Кредитною карткою
Розрахунковий рахунок
Повернення товару протягом 14 днів
Опис
Характеристики
Документи

Запобіжник пробковий Italweber 16А 500В призначений для захисту електроустановок від перевантажень і струмів короткого замикання. Використовується у промислових та комерційних електричних мережах для забезпечення безпеки обладнання та персоналу.

Основні характеристики:
  • Номінальний струм: 16 А
  • Номінальна напруга: 500 (AC) В
  • Відключаюча здатність: 50 кА
  • Часо-струмова характеристика: F (швидкий) тип
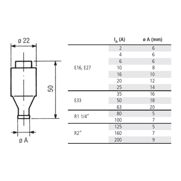
  • Типорозмір: E27 (DII)
  • Бренд: Italweber

Переваги: висока відключаюча здатність, надійний захист обладнання, простота заміни запобіжника, можливість візуального контролю спрацювання.

Ножові запобіжники від Italweber застосовуються для захисту трансформаторів, кабельних ліній, електродвигунів та іншого силового обладнання, забезпечуючи безпечну та безперебійну роботу електричних систем.

✅ Гарантія якості: Продукція Italweber відповідає високим європейським стандартам якості та безпеки.

Характеристики
Тип :
Пробковий
Типорозмір :
E27 (DII)
Часо-струмова характеристика :
F (швидкий) тип
Номінальний струм :
16 А
Номінальна напруга :
500 (AC) В
Відключаюча здатність :
50 кА
Бренд :
Italweber
Кількість в пакуванні :
10 шт
Контакти :
Посріблені
Матеріал ізоляції :
Стеатит (кераміка)
Країна реєстрації бренду :
Італія
Країна походження :
Італія
Дивіться також
Ножовий запобіжник Italweber gR/aR NH00 35A
Акція
Ножовий запобіжник SIBA gG NH1 250A
Артикул: S20 003 13.250
689 грн
Ножовий запобіжник SIBA gG NH000 10A
Акція
Ножовий запобіжник SIBA gG NH000 10A
Артикул: S20 000 13.10
267 грн
Запобіжник циліндричний ETI 15A gPV 10×85 1500V
Акція
Запобіжник Ножовий Vector VS GENESIS NH00 100А 500V AC gG
Новинка
Відгуки (0)
Написати відгук
Трансформатори струму
Wave Plus
Тримачі запобіжників
Контактори