Вимірювання та якість електроенергії
Промислова автоматизація та керування
Каталог товарів
Вольтметри
Вольтметр трансформаторний FRER F96EV 90˚ 800V
Артикул: F96EVX869XCO
В наявності
Очікується
Замовлення кратне 1-му
Купити У кошику
Купити в 1 клік
Доставка
Оплата
Гарантія та умови повернення
Самовивіз з нашого складу
безкоштовно
«Новою поштою» по Україні
за тарифами перевізника
 Кур'єром до дверей
від 70 грн.
Кредитною карткою
Розрахунковий рахунок
Повернення товару протягом 14 днів
Опис
Характеристики
Документи

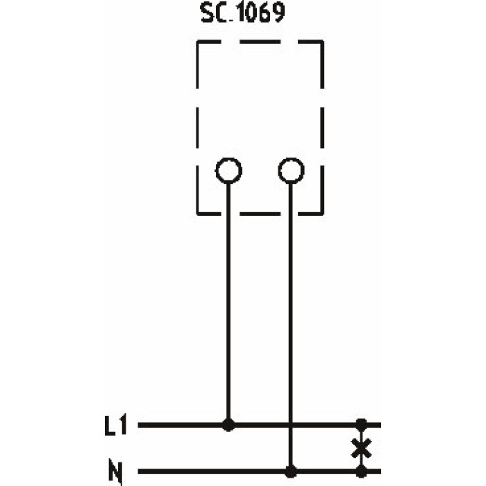
Вольтметр трансформаторний FRER F96EV 90˚ 800В призначений для точного вимірювання напруги в електричних мережах змінного струму.

Основні характеристики:

  • Шкала: 800В
  • Вхід: 100 В
  • Номінальне навантаження: 1.5 ВА (100 В)
  • Розворот шкали: 90˚
  • Тип: AC
  • Габаритні розміри: 96 × 96
  • Тип встановлення: Панельний
  • Тип включення: Трансформаторний
  • Тип пристрою: Вольтметр
  • Серія: F96EV
  • Бренд: FRER

Переваги: висока точність вимірювань, надійність у промислових умовах та зручність монтажу в щитові.

✅ Гарантія якості: Продукція FRER відповідає високим європейським стандартам безпеки та якості.

Характеристики
Бренд :
FRER
Тип :
AC
Тип включення :
Трансформаторний
Розворот шкали :
90˚
Габаритні розміри :
96 × 96 мм
Клас точності :
1.5
Шкала :
800В
Вхід :
100 В
A :
96 мм
B :
91 мм
C :
92 мм
D :
46 мм
Випробувальна напруга :
2 кВ, 50 Гц – 60 с
Температура експлуатації :
-25...+50 °C
Тривале перевантаження :
1.2 Un А
Короткочасне перевантаження :
2 Un
Напруга ізоляції :
600 В
Номінальне навантаження :
1.5 ВА (100 В) Вт
Робоча частота :
45–65 Гц
Серія :
F...EV
Стандарти :
CEI-DIN-VDE-IEC
Ступінь захисту корпусу :
52/0 IP
Температура зберігання :
-40...+80 °C
Тип встановлення :
Панельний
Тип пристрою :
Вольтметр
Країна походження :
Італія
Країна реєстрації бренду :
Італія
English Description :
An. Voltmeter 90° 0-800V VT 690/100V
Аксесуари
Дивіться також
Вольтметр прямий FRER F96MV 90˚ 300V
Артикул: F96MVX300XSD
3316 грн
Вольтметр прямий FRER F96MV 90˚ 250V
Артикул: F96MVX250XSD
3316 грн
Вольтметр прямий FRER F72MV 90˚ 10V
Акція
Вольтметр прямий FRER F72MV 90˚ 10V
Артикул: F72MVX010XSD
3316 грн
Вольтметр прямий FRER F72MV 90˚ 400V
Артикул: F72MVX400XSD
3316 грн
Вольтметр прямий FRER F72MV 90˚ 250V
Артикул: F72MVX250XSD
3316 грн
Вольтметр прямий FRER F96EV 90˚ 600V
Акція
Вольтметр прямий FRER F96EV 90˚ 600V
Артикул: F96EVX600XSD
2598 грн
Вольтметр подвійний прямий FRER F96YV 90˚ 100V
Акція
Вольтметр прямий FRER F96EV 90˚ 500V
Артикул: F96EVX500XSD
1835 грн
Вольтметр прямий FRER F48EV 90˚ 300V
Акція
Вольтметр прямий FRER F48EV 90˚ 300V
Артикул: F48EVX300XSD+AVB
Очікується
Вольтметр прямий FRER F96EV 90˚ 250V
Артикул: F96EVX250XSD
3928 грн
Вольтметр прямий FRER F72EV 90˚ 0-400V
Артикул: F72EVX400XSD
1857 грн
Вольтметр прямий FRER F72EV 90˚ 0-250V
Артикул: F72EVX250XSD
1778 грн
Вольтметр прямий FRER F72MV 90˚ 0-1000A
Артикул: F72MVX010
Очікується
Вольтметр прямий FRER F48EV 90˚ 500V
Акція
Вольтметр прямий FRER F48EV 90˚ 500V
Артикул: F48EVX500XSD
1778 грн
Відгуки (0)
Написати відгук
Переглянуті товари
Тримач Klemsan WGO UAA
Акція
Тримач Klemsan WGO UAA
Артикул: 0.0.0.4.98300
36 грн
Овальний крейцмейсель ERKO 13x18мм
Артикул: HGD_104-13-18
21481 грн
Перфорований короб Klemsan 40×40 KKD 4040
Артикул: 0.0.0.5.554040
147 грн
Кабельні стяжки ERKO (100 шт)
Акція
Кабельні стяжки ERKO (100 шт)
Артикул: OPK_3,6-200-N/100
102 грн
Клема Klemsan SK 1 2.5 мм чорна
Акція
Клема Klemsan SK 1 2.5 мм чорна
Артикул: 0.0.0.4.30002
90 грн
Шток Vector VS 300мм VC1/2
Артикул: 18202C
531 грн
Шинотрмичі
Трансформатори струму
Wave Plus
Тримачі запобіжників