Вимірювання та якість електроенергії
Захист та комутація електромереж
Промислова автоматизація та керування
Каталог товарів
Аналізатори мережі
Аналізатор мережі щитовий 96×96mm FRER, 4 LED дісплея, 1-5A, живл.115-230V, 2 прогр. вих
Артикул: Q96B4W005XCQSU
Немає в наявності
47497 грн
Повідомити
Доставка
Оплата
Гарантія та умови повернення
Самовивіз з нашого складу
безкоштовно
«Новою поштою» по Україні
за тарифами перевізника
 Кур'єром до дверей
від 70 грн.
Кредитною карткою
Розрахунковий рахунок
Повернення товару протягом 14 днів
Опис
Характеристики
Документи

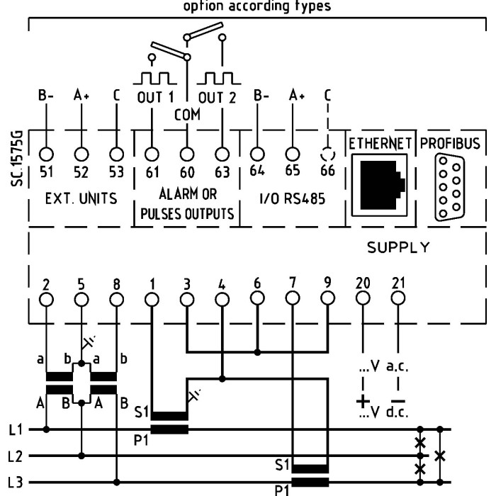
Аналізатор мережі щитовий FRER QuBo 1 ÷ 5 A використовується для комплексного аналізу параметрів електричних мереж у промислових, комерційних та житлових об’єктах. Прилад легко інтегрується в електрощитові системи та забезпечує безперервний контроль стану мережі.

Основні характеристики:

  • Клас точності: 0.2
  • Напруга живлення: 230 (45...65 Гц) -10 % (або по запиту) В
  • Власне споживання|Вт: 4 Вт
  • Вхідний струм: 1 ÷ 5 А
  • Коефіцієнт макс. ТТ: 15 000
  • Коефіцієнт макс. ТН: 1000
  • Тип включення: 3 фазний
  • Інтерфейси зв'язку: RS485 MODBUS RTU
  • Дисплей: Сегментний
  • Тип: Мультиметр щитовий
  • Тип встановлення: Панельний
  • Серія: QuBo
  • Бренд: FRER

Застосування: контроль енергоспоживання, моніторинг якості електроенергії, виявлення перевантажень та дисбалансу фаз у системах електропостачання.

✅ Прилади FRER гарантують точність, надійність і довговічність, відповідаючи сучасним вимогам енергоменеджменту.

Характеристики
Вимір гармонік THD :
Ні %
Вимірювання частоти :
Так Гц
Випробувальна напруга :
2 кВ, 50 Гц, 60 с
Виходи :
2 progr. Outputs
Власне споживання :
4 Вт
Вогнетривкість :
UL 94-V0
Втрати в ланцюзі напруги :
<0.5 Вт
Втрати в ланцюзі струму :
<0.5 Вт
Вхідний діапазон :
10-120 % Un, 5-120 % In В
Вхідний струм :
1-5 А
Входи :
Опція
Габаритні розміри :
96 х 96 мм
Гальванічна розв'язка :
Повна
Температура експлуатації :
0...+23...+50 °C
Тривале перевантаження :
2 x In; 1.2 x Un А
Енергія вимірювання :
Так (±A, ±R)
Напруга живлення :
230 (45...65 Гц) -10 % (або по запиту) В
Інтерфейси зв'язку :
RS485 ModBus RTU
Зсув фаз між струмом та напругою :
Так °
Кількість тарифів :
1 шт
Клас точності :
0.2
Коефіцієнт макс. TН :
1000
Коефіцієнт макс. ТТ :
15000
Коефіцієнт потужності (cosφ) :
Так
Короткочасне перевантаження :
20 x In; 2 x Un (300 мсек.)
Країна походження :
Італія
Країна реєстрації бренду :
Італія
Лінійна напруга :
Так В
Лінійна потужжність (P, R, S) :
Так Вт
Лічильник мотогодин :
Так
Максимальне відображуване значення дисплея :
999
Максимальне споживання :
Так кВт
Максимальний тепловий струм :
Так А
Послідовність фаз :
Так Вт
Робоча частота :
45-65 Гц
Середня потужність :
Так Вт
Серія :
Q96 QuBo
Струм нейтралі :
Так А
Ступінь захисту корпусу :
50 IP
Ступінь захисту терміналів :
20 IP
Сумарна потужжність (P, R, S) :
Так Вт
Температура зберігання :
-30...+70 °C
Тепловий струм :
Так А
Тип :
Мультиметр щитовий
Тип вимірювання :
TRMS
Тип включення :
3 фазний
Тип встановлення :
Панельний
Тип дисплею :
Сигментний
Фазний струм і напруга :
Так В/А
Час оновлення дисплея :
<500 мс
Бренд :
FRER
Вимірювана напруга :
100-400 В
Дивіться також
Аналізатор мережі Janitza, 2 вих., RS-485
Акція
Аналізатор мережі Janitza, 2 вих., RS-485
Артикул: 52.22.061
Очікується
Аналізатор мережі Janitza, 2 вих., RS-485/USB/Profibus, 256Мб
Акція
Аналізатор Klemsan KLEA 220P
Артикул: 0.0.0.6.06160
13490 грн
Аналізатор мережі модульний FRER NaNo 1-5A RS485
Акція
Аналізатор мережі Klemsan KLEA 322P
Артикул: 0.0.0.6.06102
26451 грн
Аналізатор мережі модульний FRER MCU 1-5A 100-400V
Акція
Аналізатор якості електромережі BMR
Акція
Мультиметр щитовий Vector VS IQ Meter VCF
Новинка
Мультиметр щитовий Vector VS IQ Meter VCF
Артикул: IQM3B023RH
2776 грн
Відгуки (0)
Написати відгук
Разом із цим товаром купують
Трансформатор напруги FRER (0.5=20VA), 550/100V
Артикул: TTV020550XCO
За запитом
Трансформатор напруги FRER (0.5=20VA), 560/100V
Артикул: TTV020560XCO
За запитом
Трансформатор напруги FRER 50VA, 800/100V
Артикул: TTV050800XCO
32146 грн
Трансформатор напруги FRER 100VA, 400/100V
Артикул: TTV100400XCO
29515 грн
Трансформатор напруги FRER 600/100V
Артикул: TTV100600XCO
29515 грн
Трансформатор напруги FRER 100VA, 380/100V
Артикул: TTV100380XCO
29515 грн
Трансформатор напруги FRER 230/100V
Артикул: TTV050230XCO
27964 грн
Трансформатор напруги FRER 50VA, 400/100V
Артикул: TTV050400XCO
27964 грн
Трансформатор напруги FRER 50VA, 600/100V
Артикул: TTV050600XCO
27964 грн
Wave Plus
Тримачі запобіжників
Контактори