Вимірювання та якість електроенергії
Промислова автоматизація та керування
Каталог товарів
Аналізатори мережі
Аналізатор мережі щитовий 96×96mm FRER, LED дісплея, Profibus, живл.115-230V
Артикул: Q96B4W005PCQS
Немає в наявності
83583 грн
Повідомити
Доставка
Оплата
Гарантія та умови повернення
Самовивіз з нашого складу
безкоштовно
«Новою поштою» по Україні
за тарифами перевізника
 Кур'єром до дверей
від 70 грн.
Кредитною карткою
Розрахунковий рахунок
Повернення товару протягом 14 днів
Опис
Характеристики
Документи

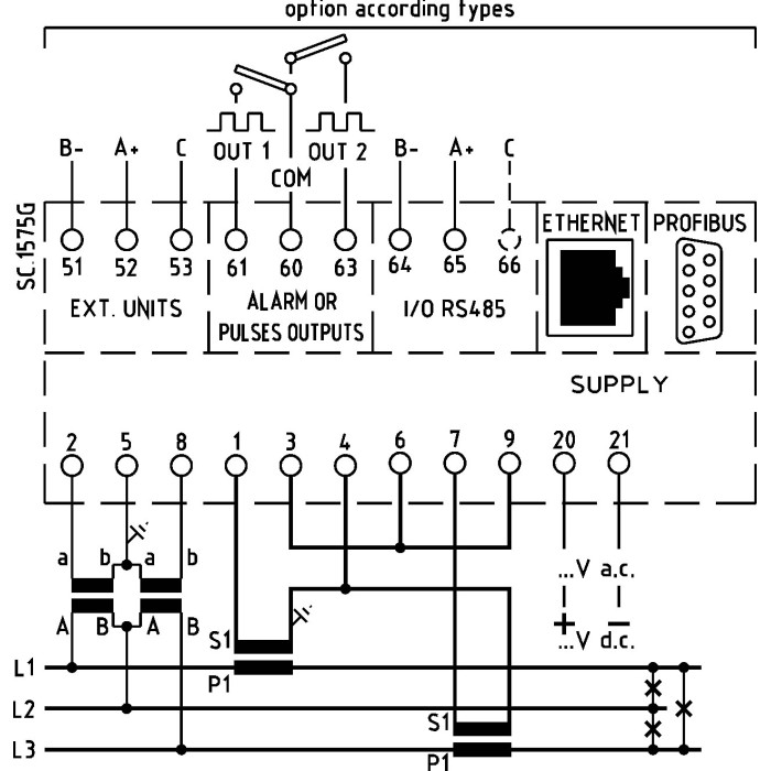
Аналізатор мережі щитовий FRER QuBo 1 ÷ 5 A 100÷400 В використовується для комплексного аналізу параметрів електричних мереж у промислових, комерційних та житлових об’єктах. Прилад легко інтегрується в електрощитові системи та забезпечує безперервний контроль стану мережі.

Основні характеристики:

  • Клас точності: 0.5
  • Напруга живлення: 230 (45...65 Гц) -10 % (або по запиту) В
  • Власне споживання|Вт: 4 Вт
  • Вхідний струм: 1 ÷ 5 А
  • Коефіцієнт макс. ТТ: 15 000
  • Коефіцієнт макс. ТН: 1000
  • Тип включення: 3 фазний
  • Вимірювана напруга: 100÷400 В
  • Інтерфейси зв'язку: PROFIBUS DP V0
  • Дисплей: Сегментний
  • Тип: Мультиметр щитовий
  • Тип встановлення: Панельний
  • Серія: QuBo
  • Бренд: FRER

Застосування: контроль енергоспоживання, моніторинг якості електроенергії, виявлення перевантажень та дисбалансу фаз у системах електропостачання.

✅ Прилади FRER гарантують точність, надійність і довговічність, відповідаючи сучасним вимогам енергоменеджменту.

Характеристики
Бренд :
FRER
Тип встановлення :
Панельний
Інтерфейси зв'язку :
PROFIBUS DP V0
Входи :
Опція
Виходи :
Опція
Клас точності :
0.5
Габаритні розміри :
96 х 96 мм
Вимір гармонік THD :
Ні %
English Description :
An96x96 LED Profibus Aux115-230V
Вимірювання частоти :
Так Гц
Випробувальна напруга :
2 кВ, 50 Гц, 60 с
Власне споживання :
4 Вт
Вогнетривкість :
UL 94-V0
Втрати в ланцюзі напруги :
<0.5 Вт
Втрати в ланцюзі струму :
<0.5 Вт
Вхідний діапазон :
10-120 % Un, 5-120 % In В
Вхідний струм :
1-5 А
Гальванічна розв'язка :
Повна
Температура експлуатації :
0...+23...+50 °C
Тривале перевантаження :
2 x In; 1.2 x Un А
Енергія вимірювання :
Так (±A, ±R)
Напруга живлення :
230 (45...65 Гц) -10 % (або по запиту) В
Зсув фаз між струмом та напругою :
Так °
Кількість тарифів :
1 шт
Коефіцієнт макс. TН :
1000
Коефіцієнт макс. ТТ :
15000
Коефіцієнт потужності (cosφ) :
Так
Короткочасне перевантаження :
20 x In; 2 x Un (300 мсек.)
Країна походження :
Італія
Країна реєстрації бренду :
Італія
Лінійна напруга :
Так В
Лінійна потужжність (P, R, S) :
Так Вт
Лічильник мотогодин :
Так
Максимальне відображуване значення дисплея :
999
Максимальне споживання :
Так кВт
Максимальний тепловий струм :
Так А
Послідовність фаз :
Так Вт
Робоча частота :
45-65 Гц
Середня потужність :
Так Вт
Серія :
Q96 QuBo
Струм нейтралі :
Так А
Ступінь захисту корпусу :
50 IP
Ступінь захисту терміналів :
20 IP
Сумарна потужжність (P, R, S) :
Так Вт
Температура зберігання :
-30...+70 °C
Тепловий струм :
Так А
Тип :
Мультиметр щитовий
Тип вимірювання :
TRMS
Тип включення :
3 фазний
Тип дисплею :
Сигментний
Фазний струм і напруга :
Так В/А
Час оновлення дисплея :
<500 мс
Вимірювана напруга :
100-400 В
Дивіться також
Аналізатор Klemsan KLEA 220P
Артикул: 0.0.0.6.06160
13438 грн
Аналізатор мережі модульний FRER NaNo 1-5A RS485
Акція
Аналізатор мережі Klemsan KLEA 322P
Артикул: 0.0.0.6.06102
26350 грн
Аналізатор мережі модульний FRER MCU 1-5A 100-400V
Акція
Аналізатор якості електромережі BMR
Акція
Аналізатор мережі модульний FRER NaNo 1-5A RS485
Акція
Відгуки (0)
Написати відгук
Разом із цим товаром купують
Трансформатор напруги FRER (0.5=20VA), 550/100V
Артикул: TTV020550XCO
За запитом
Трансформатор напруги FRER (0.5=20VA), 560/100V
Артикул: TTV020560XCO
За запитом
Трансформатор напруги FRER 50VA, 800/100V
Артикул: TTV050800XCO
34727 грн
Трансформатор напруги FRER 100VA, 400/100V
Артикул: TTV100400XCO
31884 грн
Трансформатор напруги FRER 600/100V
Артикул: TTV100600XCO
31884 грн
Трансформатор напруги FRER 100VA, 380/100V
Артикул: TTV100380XCO
31884 грн
Трансформатор напруги FRER 230/100V
Артикул: TTV050230XCO
30209 грн
Трансформатор напруги FRER 50VA, 400/100V
Артикул: TTV050400XCO
30209 грн
Трансформатор напруги FRER 50VA, 600/100V
Артикул: TTV050600XCO
30209 грн
Трансформатори струму
Wave Plus
Тримачі запобіжників
Контактори