Вимірювання та якість електроенергії
Захист та комутація електромереж
Промислова автоматизація та керування
Каталог товарів
Аналізатори мережі
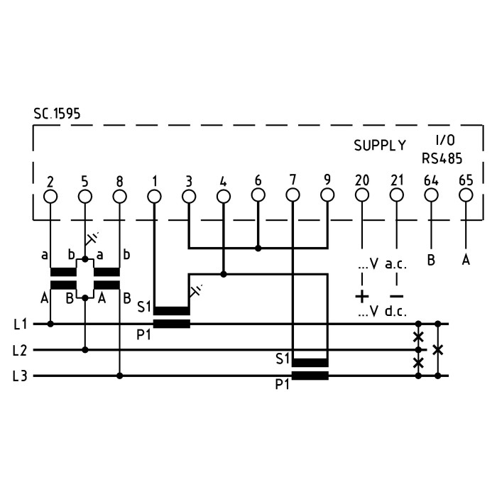
Аналізатор мережі модульний FRER MCU 1-5A 100-400V
Артикул: MCUP0H005MCQ2
В наявності
22391 грн
Замовлення кратне 1-му
Купити У кошику
Купити в 1 клік
Доставка
Оплата
Гарантія та умови повернення
Самовивіз з нашого складу
безкоштовно
«Новою поштою» по Україні
за тарифами перевізника
 Кур'єром до дверей
від 70 грн.
Кредитною карткою
Розрахунковий рахунок
Повернення товару протягом 14 днів
Опис
Характеристики
Документи

Аналізатор мережі модульний FRER MCU 1-5 A 100-400 В використовується для комплексного аналізу параметрів електричних мереж у промислових, комерційних та житлових об’єктах. Завдяки модульному виконанню прилад легко інтегрується в електрощитові системи та забезпечує безперервний контроль стану мережі.

Основні характеристики:

  • Клас точності: 0.2
  • Напруга живлення: 220–240 (змінного струму) В
  • Власне споживання|Вт: 3 Вт
  • Вхідний струм: 1-5 А
  • Коефіцієнт макс. ТТ: 3000
  • Коефіцієнт макс. ТН: 1000
  • Втрати в ланцюзі струму: <0.5 Вт
  • Втрати в ланцюзі напруги: <0.5 Вт
  • Тип включення:
  • Вимірювана напруга: 100-400 В
  • Дисплей: без дисплею
  • Тип: Аналізатор мережі модульний, без дисплею
  • Тип встановлення: Модульний (на DIN-рейку)
  • Серія: MCU
  • Бренд: FRER

Застосування: контроль енергоспоживання, моніторинг якості електроенергії, виявлення перевантажень та дисбалансу фаз у системах електропостачання.

✅ Прилади FRER гарантують точність, надійність і довговічність, відповідаючи сучасним вимогам енергоменеджменту.

Характеристики
Вимір гармонік THD :
THDU+THDI (до 32) %
English Description :
Net.An.without display RS485 Aux230Vac
Вимірювання частоти :
Так Гц
Власне споживання :
3 Вт
Вогнетривкість :
UL 94-V0
Втрати в ланцюзі напруги :
<0.5 Вт
Втрати в ланцюзі струму :
<0.5 Вт
Вхідний діапазон :
10-120 % Un, 5-120 % In В
Вхідний струм :
1-5 А
Габаритні розміри :
90 х 54 мм
Гальванічна розв'язка :
Повна
Температура експлуатації :
0...+23...+50 °C
Тривале перевантаження :
2 x In; 1.2 x Un А
Енергія вимірювання :
Так (±A, ±R)
Напруга живлення :
220...240 (змінного струму) В
Зсув фаз між струмом та напругою :
Так °
Клас точності :
0.2
Коефіцієнт макс. TН :
1000
Коефіцієнт макс. ТТ :
3000
Коефіцієнт потужності (cosφ) :
Так
Короткочасне перевантаження :
20 x In; 2 x Un (300 мсек.)
Країна походження :
Італія
Країна реєстрації бренду :
Італія
Лінійна напруга :
Так В
Лінійна потужжність (P, R, S) :
Так Вт
Лічильник мотогодин :
Так
Максимальне відображуване значення дисплея :
Без дисплею
Підключення температурного датчика :
Так
Послідовність фаз :
Так Вт
Робоча частота :
45-65 Гц
Серія :
MCU
Струм нейтралі :
Так А
Ступінь захисту корпусу :
50 IP
Ступінь захисту терміналів :
20 IP
Сумарна потужжність (P, R, S) :
Так Вт
Температура зберігання :
-30...+70 °C
Тип :
Аналізатор мережі модульний, без дисплею
Тип вимірювання :
TRMS
Тип включення :
3 фазний
Тип встановлення :
Модульний (на DIN-рейку)
Тип дисплею :
Без дисплею
Фазний струм і напруга :
Так В/А
Бренд :
FRER
Вимірювана напруга :
100-400 В
Дивіться також
Аналізатор мережі Janitza, 2 вих., RS-485/USB/Profibus, 256Мб
Акція
Аналізатор мережі Klemsan KLEA 320P
Артикул: 0.0.0.6.06100
19656 грн
Аналізатор Klemsan KLEA 220P
Артикул: 0.0.0.6.06160
13505 грн
Аналізатор мережі модульний FRER NaNo 1-5A RS485
Акція
Аналізатор мережі Klemsan KLEA 322P
Артикул: 0.0.0.6.06102
26481 грн
Аналізатор якості електромережі BMR
Акція
Мультиметр щитовий Vector VS IQ Meter VCF
Новинка
Мультиметр щитовий Vector VS IQ Meter VCF
Артикул: IQM3B023RH
2778 грн
Відгуки (0)
Написати відгук
Разом із цим товаром купують
Трансформатор напруги FRER (0.5=20VA), 550/100V
Артикул: TTV020550XCO
За запитом
Трансформатор напруги FRER (0.5=20VA), 560/100V
Артикул: TTV020560XCO
За запитом
Трансформатор напруги FRER 50VA, 800/100V
Артикул: TTV050800XCO
32178 грн
Трансформатор напруги FRER 100VA, 400/100V
Артикул: TTV100400XCO
29543 грн
Трансформатор напруги FRER 600/100V
Артикул: TTV100600XCO
29543 грн
Трансформатор напруги FRER 100VA, 380/100V
Артикул: TTV100380XCO
29543 грн
Трансформатор напруги FRER 230/100V
Артикул: TTV050230XCO
27991 грн
Трансформатор напруги FRER 50VA, 400/100V
Артикул: TTV050400XCO
27991 грн
Трансформатор напруги FRER 50VA, 600/100V
Артикул: TTV050600XCO
27991 грн
Wave Plus
Тримачі запобіжників
Контактори