Вимірювання та якість електроенергії
Захист та комутація електромереж
Промислова автоматизація та керування
Каталог товарів
Трансформатори струму
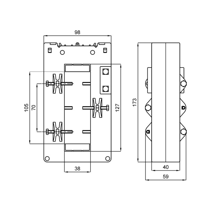
Трансформатор струму вимірювальний FRER TAT126 3000A 127×38 3000/5
Артикул: TAT1263K0X05
В наявності
9185 грн
Замовлення кратне 1-му
Купити У кошику
Купити в 1 клік
Доставка
Оплата
Гарантія та умови повернення
Самовивіз з нашого складу
безкоштовно
«Новою поштою» по Україні
за тарифами перевізника
 Кур'єром до дверей
від 70 грн.
Кредитною карткою
Розрахунковий рахунок
Повернення товару протягом 14 днів
Опис
Характеристики
Документи

Трансформатори струму вимірювальний FRER TAT126 3000 А 127 × 38 3000/5 - це вимірювальний пристрій, призначений для перетворення великих значень змінного струму до менших (стандартних), безпечних для вимірювання значень. Він забезпечує гальванічну розв'язку між силовими електричними колами та колами вимірювання.

Пристрій є ключовим елементом у системах комерційного та технічного обліку електроенергії, релейного захисту та моніторингу параметрів мережі.

Основні характеристики:

  • Первинний струм: 3000 А
  • Клас точності: 0.5
  • Вторинний струм: 5 А
  • Тип трансформатора: вимірювальний
  • Отвір для шини: 127 × 38 мм
  • Для шини шириною: 120 мм
  • Тип: Прохідний
  • Навантаження кл. точ. 0,5: 50 ВА
  • Коефіцієнт трансформації: 3000/5
  • Серія: TAT126
  • Бренд: FRER

Переваги:
Висока точність: Забезпечує точні вимірювання відповідно до заявленого класу точності, що є критично важливим для комерційного обліку.
Ізолює вимірювальні прилади від високого потенціалу силової мережі, гарантуючи безпеку персоналу та обладнання.

✅ Гарантія якості: Продукція FRER відповідає високим європейським стандартам безпеки та якості.

Характеристики
Бренд :
FRER
Тип :
Прохідний
Клас точності :
0.5
Первинний струм :
3000 А
Вторинний струм :
5 А
Отвір для шини :
127 × 38 мм
Для шини шириною :
120 мм
Отвір для кабелю :
Ні мм
Монтаж на панель :
Немає
Встановлення на DIN-рейку :
Немає
Тип трансформатора :
Вимірювальний
Навантаження (кл. точ.0,5) :
50 ВА
Навантаження (кл. точ. 1) :
80 ВА
Коефіцієнт трансформації :
3000/5
Ступінь захисту :
20 IP
Випробувальна напруга :
3 кВ (50 Гц)
Клас ізоляції :
Клас E
Напруга ізоляції :
0.72 (кВ) В
Динамічна стійкість :
2.5 x Ith
Тривале перевантаження :
1 In А
Температура експлуатації :
-25...+50 °C
Сертифікати :
IEC/EN 61869-1, IEC/EN 61869-2
Фіксація шиною :
Немає
Максимальний переріз приєднання вторинних кіл :
6 мм²
Матеріал :
UL 94-V0
Частота мережі :
50...60 Гц
Середнє напрацювання на відмову :
300 000 г, термін експлуатації 25 років год
Серія :
TAT126
Система фіксації шпильками :
Так
Термічний струм :
80 In А
Країна реєстрації бренду :
Італія
Країна походження :
Італія
Температура зберігання :
-40...+80 °C
English Description :
CT 38x126 3000/5A
Дивіться також
Відгуки (0)
Написати відгук
Переглянуті товари
Трансформатори струму
Wave Plus
Тримачі запобіжників
Контактори