VectorVS
Каталог
+38 (044) 369 51 57
Вимірювання та якість електроенергії
Промислова автоматизація та керування
Каталог товарів
Трансформатори струму
Трансформатор струму високоточний FRER TAT101 3000 А 102 × 55 3000/5 - TAT1013K0Y05
Артикул: TAT1013K0Y05
В наявності
0
Відгуків: 0
9353 грн
Замовлення кратне 1-му
Купити У кошику
Купити в 1 клік
Доставка
Оплата
Гарантія та умови повернення
Самовивіз з нашого складу
безкоштовно
«Новою поштою» по Україні
за тарифами перевізника
 Кур'єром до дверей
від 70 грн.
Кредитною карткою
Розрахунковий рахунок
Повернення товару протягом 14 днів
Опис
Характеристики
Документи

Трансформатори струму високоточний FRER TAT101 3000 А 102 × 55 3000/5 - це вимірювальний пристрій, призначений для перетворення (масштабування) великих значень змінного струму до менших, безпечних для вимірювання стандартних значень. Він забезпечує гальванічну розв'язку між високовольтними силовими колами та колами вимірювання, захисту і керування.

Пристрій є ключовим елементом у системах комерційного та технічного обліку електроенергії, релейного захисту та моніторингу параметрів мережі.

Основні характеристики:

  • Первинний струм: 3000 А
  • Клас точності: 0.5s
  • Вторинний струм: 5 А
  • Тип трансформатора: високоточний
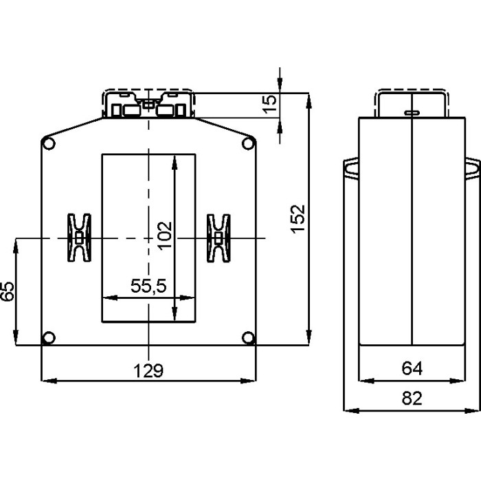
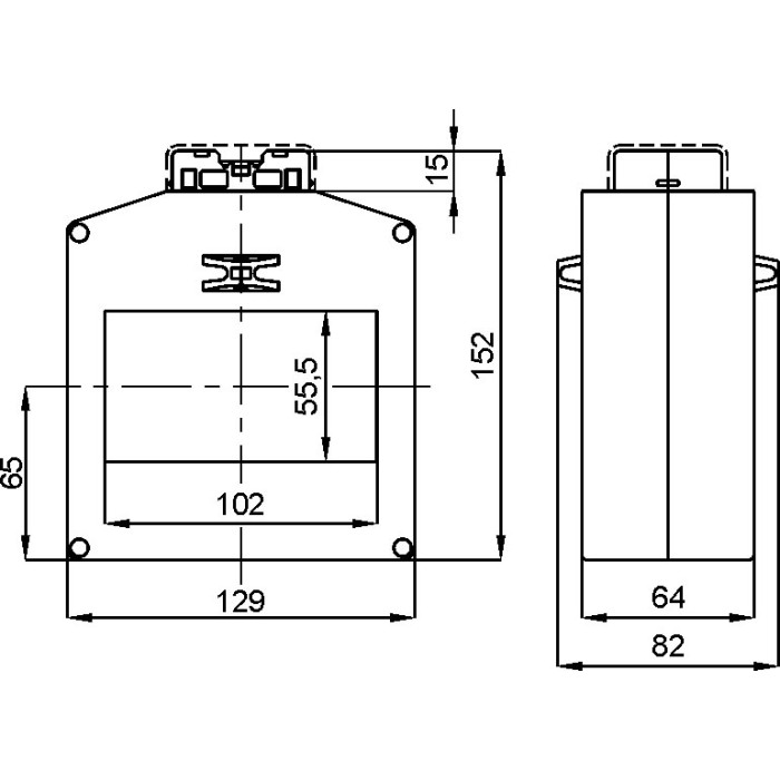
  • Отвір для шини: 102 × 55 мм
  • Для шини шириною: 100 мм
  • Тип: Прохідний
  • Коефіцієнт трансформації: 3000/5
  • Серія: TAT101
  • Бренд: FRER

Переваги:
Висока точність: Забезпечує точні вимірювання відповідно до заявленого класу точності, що є критично важливим для комерційного обліку.
Ізолює вимірювальні прилади від високого потенціалу силової мережі, гарантуючи безпеку персоналу та обладнання.

✅ Гарантія якості: Продукція FRER відповідає високим європейським стандартам безпеки та якості.

Характеристики
English Description :
High Acc.cl.0,5S CT 100x55 3000/5A
Бренд :
FRER
Випробувальна напруга :
3 кВ x 1’ 50 Гц
Встановлення на DIN-рейку :
Немає
Вторинний струм :
5 А
Динамічна стійкість :
2.5 x Ith
Для шини шириною :
100 мм
Клас ізоляції :
Клас E
Клас точності :
0.5s
Коефіцієнт трансформації :
3000/5
Країна походження :
Італія
Країна реєстрації бренду :
Італія
Максимальний переріз приєднання вторинних кіл :
6 мм²
Матеріал :
UL 94-V0
Монтаж на панель :
Немає
Навантаження (кл. точ. 0,5S) :
20 ВА
Напруга ізоляції :
0.72 к В
Отвір для кабелю :
Ні мм
Отвір для шини :
102 × 55 мм
Первинний струм :
3000 А
Серія :
TAT101
Середнє напрацювання на відмову :
300 000 г, термін експлуатації 25 років год
Сертифікати :
IEC/EN 61869-1, IEC/EN 61869-2
Система фіксації шпильками :
Так
Ступінь захисту :
20/00 IP
Температура експлуатації :
-25...+50 °C
Температура зберігання :
-40...+80 °C
Термічний струм :
80 In А
Тип трансформатора :
Високоточний
Тривале перевантаження :
1 In А
Фіксація шиною :
Немає
Частота мережі :
50/60 Гц
Тип :
Прохідний
Дивіться також
Відгуки (0)
Написати відгук