Вимірювання та якість електроенергії
Захист та комутація електромереж
Промислова автоматизація та керування
Каталог товарів
Трансформатори струму
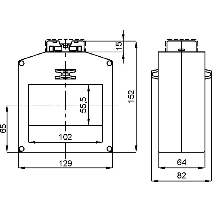
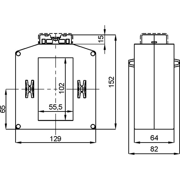
Трансформатор струму вимірювальний FRER TAT101 2500A 102×55 2500/5
Артикул: TAT1012K5X05XXK
Немає в наявності
7447 грн
Повідомити
Доставка
Оплата
Гарантія та умови повернення
Самовивіз з нашого складу
безкоштовно
«Новою поштою» по Україні
за тарифами перевізника
 Кур'єром до дверей
від 70 грн.
Кредитною карткою
Розрахунковий рахунок
Повернення товару протягом 14 днів
Опис
Характеристики
Документи

Трансформатори струму вимірювальний FRER TAT101 2500 А 102 × 55 2500/5 - це вимірювальний пристрій, призначений для перетворення великих значень змінного струму до менших (стандартних), безпечних для вимірювання значень. Він забезпечує гальванічну розв'язку між силовими електричними колами та колами вимірювання.

Пристрій є ключовим елементом у системах комерційного та технічного обліку електроенергії, релейного захисту та моніторингу параметрів мережі.

Основні характеристики:

  • Первинний струм: 2500 А
  • Клас точності: 0.5
  • Вторинний струм: 5 А
  • Тип трансформатора: вимірювальний
  • Отвір для шини: 102 × 55 мм
  • Коефіцієнт трансформації: 2500/5
  • Серія: TAT101
  • Бренд: FRER

Переваги:
Висока точність: Забезпечує точні вимірювання відповідно до заявленого класу точності, що є критично важливим для комерційного обліку.
Ізолює вимірювальні прилади від високого потенціалу силової мережі, гарантуючи безпеку персоналу та обладнання.

✅ Гарантія якості: Продукція FRER відповідає високим європейським стандартам безпеки та якості.

Характеристики
Первинний струм :
2500 А
Клас точності :
0.5
Вторинний струм :
5 А
Монтаж на панель :
Немає
Встановлення на DIN-рейку :
Немає
Отвір для шини :
102 × 55 мм
Отвір для кабелю :
Ні мм
Бренд :
FRER
Тип :
Прохідний
Для шини шириною :
100 мм
Коефіцієнт трансформації :
2500/5
Ступінь захисту :
20 IP
Випробувальна напруга :
3 кВ (50 Гц)
Клас ізоляції :
Клас E
Напруга ізоляції :
0.72 (кВ) В
Динамічна стійкість :
2.5 x Ith
Тривале перевантаження :
1.2 In А
Температура експлуатації :
-25...+50 °C
Сертифікати :
IEC/EN 61869-1, IEC/EN 61869-2
Фіксація шиною :
Немає
Максимальний переріз приєднання вторинних кіл :
6 мм²
Матеріал :
UL 94-V0
Частота мережі :
50...60 Гц
Середнє напрацювання на відмову :
300 000 г, термін експлуатації 25 років год
Серія :
TAT101
Система фіксації шпильками :
Так
Країна реєстрації бренду :
Італія
Країна походження :
Італія
Температура зберігання :
-40...+80 °C
Дивіться також
Відгуки (0)
Написати відгук
Переглянуті товари
Wave Plus
Тримачі запобіжників
Контактори