Вимірювання та якість електроенергії
Захист та комутація електромереж
Промислова автоматизація та керування
Каталог товарів
Трансформатори струму
Трансформатор струму вимірювальний FRER TAT085 2500 А 85 × 54 2500/1 - TAT0852K5X01
Артикул: TAT0852K5X01
Немає в наявності
8374 грн
Повідомити
Доставка
Оплата
Гарантія та умови повернення
Самовивіз з нашого складу
безкоштовно
«Новою поштою» по Україні
за тарифами перевізника
 Кур'єром до дверей
від 70 грн.
Кредитною карткою
Розрахунковий рахунок
Повернення товару протягом 14 днів
Опис
Характеристики
Документи

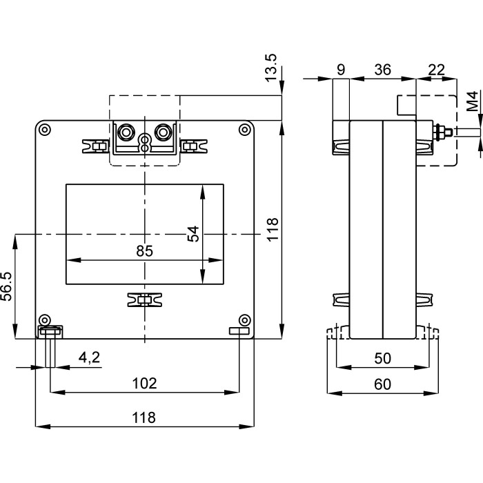
Трансформатори струму вимірювальний FRER TAT085 2500 А 85 × 54 2500/1 - це вимірювальний пристрій, призначений для перетворення (масштабування) великих значень змінного струму до менших, безпечних для вимірювання стандартних значень. Він забезпечує гальванічну розв'язку між високовольтними силовими колами та колами вимірювання, захисту і керування.

Пристрій є ключовим елементом у системах комерційного та технічного обліку електроенергії, релейного захисту та моніторингу параметрів мережі.

Основні характеристики:

  • Первинний струм: 2500 А
  • Клас точності: 0.5
  • Вторинний струм: 1 А
  • Тип трансформатора: вимірювальний
  • Отвір для шини: 85 × 54 мм
  • Для шини шириною: 80 мм
  • Тип: Прохідний
  • Навантаження кл. точ. 0,5: 20 ВА
  • Коефіцієнт трансформації: 2500/1
  • Серія: TAT085
  • Бренд: FRER

Переваги:
Висока точність: Забезпечує точні вимірювання відповідно до заявленого класу точності, що є критично важливим для комерційного обліку.
Ізолює вимірювальні прилади від високого потенціалу силової мережі, гарантуючи безпеку персоналу та обладнання.

✅ Гарантія якості: Продукція FRER відповідає високим європейським стандартам безпеки та якості.

Характеристики
English Description :
CT NEW TYPE 85X54 2500/1A
Бренд :
FRER
Випробувальна напруга :
3 кВ (50 Гц)
Встановлення на DIN-рейку :
Немає
Вторинний струм :
1 А
Динамічна стійкість :
2.5 x Ith
Для шини шириною :
80 мм
Клас ізоляції :
Клас E
Клас точності :
0.5
Коефіцієнт трансформації :
2500/1
Країна походження :
Італія
Країна реєстрації бренду :
Італія
Максимальний переріз приєднання вторинних кіл :
6 мм²
Матеріал :
UL 94-V0
Монтаж на панель :
Так
Навантаження (кл. точ. 1) :
40 ВА
Навантаження (кл. точ.0,5) :
20 ВА
Напруга ізоляції :
0.72 (кВ) В
Отвір для кабелю :
Ні мм
Отвір для шини :
85 × 54 мм
Первинний струм :
2500 А
Серія :
TAT085
Середнє напрацювання на відмову :
300 000 г, термін експлуатації 25 років год
Сертифікати :
IEC/EN 61869-1, IEC/EN 61869-2
Система фіксації шпильками :
Так
Ступінь захисту :
20 IP
Температура експлуатації :
-25...+50 °C
Температура зберігання :
-40...+80 °C
Термічний струм :
60 In А
Тип трансформатора :
Вимірювальний
Тривале перевантаження :
1 In А
Фіксація шиною :
Немає
Частота мережі :
50...60 Гц
Тип :
Прохідний
Дивіться також
Відгуки (0)
Написати відгук