Вимірювання та якість електроенергії
Промислова автоматизація та керування
Каталог товарів
Трансформатори струму
Трансформатор струму високоточний FRER TAT079 1000A 1000/5
Артикул: TAT0791K0S05
Немає в наявності
15652 грн
Повідомити
Доставка
Оплата
Гарантія та умови повернення
Самовивіз з нашого складу
безкоштовно
«Новою поштою» по Україні
за тарифами перевізника
 Кур'єром до дверей
від 70 грн.
Кредитною карткою
Розрахунковий рахунок
Повернення товару протягом 14 днів
Опис
Характеристики
Документи

Трансформатори струму високоточний FRER TAT079 1000 А 1000/5 - це вимірювальний пристрій, призначений для перетворення великих значень змінного струму до менших (стандартних), безпечних для вимірювання значень. Він забезпечує гальванічну розв'язку між силовими електричними колами та колами вимірювання.

Пристрій є ключовим елементом у системах комерційного та технічного обліку електроенергії, релейного захисту та моніторингу параметрів мережі.

Основні характеристики:

  • Первинний струм: 1000 А
  • Клас точності: 0.2s
  • Вторинний струм: 5 А
  • Тип трансформатора: високоточний
  • Тип: Прохідний
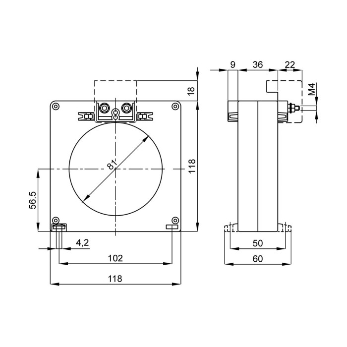
  • Отвір для кабелю: Ø81 мм
  • Коефіцієнт трансформації: 1000/5
  • Серія: TAT079
  • Бренд: FRER

Переваги:
Висока точність: Забезпечує точні вимірювання відповідно до заявленого класу точності, що є критично важливим для комерційного обліку.
Ізолює вимірювальні прилади від високого потенціалу силової мережі, гарантуючи безпеку персоналу та обладнання.

✅ Гарантія якості: Продукція FRER відповідає високим європейським стандартам безпеки та якості.

Характеристики
Бренд :
FRER
Тип :
Прохідний
Клас точності :
0.2s
Первинний струм :
1000 А
Вторинний струм :
5 А
Отвір для шини :
Ні мм
Отвір для кабелю :
ø81 мм
Монтаж на панель :
Так
Встановлення на DIN-рейку :
Немає
Тип трансформатора :
Високоточний
Навантаження (кл. точ. 0,2S) :
5 ВА
Коефіцієнт трансформації :
1000/5
Ступінь захисту :
IP20
Випробувальна напруга :
3 кВ (50 Гц)
Клас ізоляції :
Клас E
Напруга ізоляції :
0.72 (кВ) В
Динамічна стійкість :
2.5 x Ith
Тривале перевантаження :
1 In А
Температура експлуатації :
-25...+50 °C
Сертифікати :
IEC/EN 61869-1, IEC/EN 61869-2
Фіксація шиною :
Немає
Максимальний переріз приєднання вторинних кіл :
6 мм²
Матеріал :
UL 94-V0
Частота мережі :
50...60 Гц
Середнє напрацювання на відмову :
300 000 г, термін експлуатації 25 років год
Серія :
TAT079
Система фіксації шпильками :
Немає
Термічний струм :
60 In А
Країна реєстрації бренду :
Італія
Країна походження :
Італія
Температура зберігання :
-40...+80 °C
English Description :
High Acc.0,2S NEWTYPE CT ø 81mm 1000/5A
Дивіться також
Трансформатор струму Vector VS 31х11 150/5А (0.5=3.75VA)
Акція
Відгуки (0)
Написати відгук
Переглянуті товари
Трансформатори струму
Wave Plus
Тримачі запобіжників
Контактори