Вимірювання та якість електроенергії
Промислова автоматизація та керування
Каталог товарів
Трансформатори струму
Трансформатор струму високоточний FRER TAC021 150A 20×10 150/5
Артикул: TAC021150J05
Немає в наявності
4747 грн
Повідомити
Доставка
Оплата
Гарантія та умови повернення
Самовивіз з нашого складу
безкоштовно
«Новою поштою» по Україні
за тарифами перевізника
 Кур'єром до дверей
від 70 грн.
Кредитною карткою
Розрахунковий рахунок
Повернення товару протягом 14 днів
Опис
Характеристики
Документи

Трансформатори струму високоточний FRER TAC021 150 А 20 × 10 150/5 - це вимірювальний пристрій, призначений для перетворення великих значень змінного струму до менших (стандартних), безпечних для вимірювання значень. Він забезпечує гальванічну розв'язку між силовими електричними колами та колами вимірювання.

Пристрій є ключовим елементом у системах комерційного та технічного обліку електроенергії, релейного захисту та моніторингу параметрів мережі.

Основні характеристики:

  • Первинний струм: 150 А
  • Клас точності: 0.2
  • Вторинний струм: 5 А
  • Тип трансформатора: високоточний
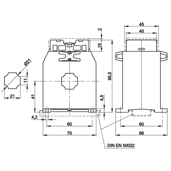
  • Отвір для шини: 20 × 10 мм
  • Для шини шириною: 20 мм
  • Тип: Прохідний
  • Отвір для кабелю: Ø21 мм
  • Коефіцієнт трансформації: 150/5
  • Серія: TAC021
  • Бренд: FRER

Переваги:
Висока точність: Забезпечує точні вимірювання відповідно до заявленого класу точності, що є критично важливим для комерційного обліку.
Ізолює вимірювальні прилади від високого потенціалу силової мережі, гарантуючи безпеку персоналу та обладнання.

✅ Гарантія якості: Продукція FRER відповідає високим європейським стандартам безпеки та якості.

Характеристики
Бренд :
FRER
Тип :
Прохідний
Клас точності :
0.2
Первинний струм :
150 А
Вторинний струм :
5 А
Отвір для шини :
20 × 10 мм
Для шини шириною :
20 мм
Отвір для кабелю :
ø21 мм
Монтаж на панель :
Так
Встановлення на DIN-рейку :
Так
Тип трансформатора :
Високоточний
Навантаження (кл. точ. 0,2) :
2.5 ВА
Коефіцієнт трансформації :
150/5
Ступінь захисту :
IP20
Випробувальна напруга :
3 кВ (50 Гц)
Клас ізоляції :
Клас E
Напруга ізоляції :
0.72 (кВ) В
Динамічна стійкість :
2.5 x Ith
Тривале перевантаження :
1 In А
Температура експлуатації :
-25...+50 °C
Сертифікати :
IEC/EN 61869-1, IEC/EN 61869-2
Фіксація шиною :
Немає
Максимальний переріз приєднання вторинних кіл :
6 мм²
Матеріал :
UL 94-V0
Частота мережі :
50...60 Гц
Середнє напрацювання на відмову :
300 000 г, термін експлуатації 25 років год
Серія :
TAC021
Система фіксації шпильками :
Так
Термічний струм :
60 In А
Країна реєстрації бренду :
Італія
Країна походження :
Італія
Температура зберігання :
-40...+80 °C
English Description :
High Acc. CT 20x10 150/5A
Дивіться також
Трансформатор струму роз'ємний FRER TAA082 1000A 50×81 1000/5
Акція
Відгуки (0)
Написати відгук
Переглянуті товари
Трансформатори струму
Wave Plus
Тримачі запобіжників
Контактори