VectorVS
Каталог
+38 (044) 369 51 57
Вимірювання та якість електроенергії
Промислова автоматизація та керування
Каталог товарів
Трансформатори струму
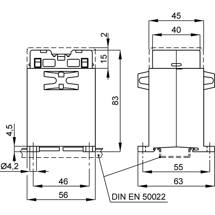
Трансформатор струму вимірювальний FRER TAC005 1 А 1/1 - TAC005001X01
Артикул: TAC005001X01
Немає в наявності
0
Відгуків: 0
За запитом
Повідомити
Доставка
Оплата
Гарантія та умови повернення
Самовивіз з нашого складу
безкоштовно
«Новою поштою» по Україні
за тарифами перевізника
 Кур'єром до дверей
від 70 грн.
Кредитною карткою
Розрахунковий рахунок
Повернення товару протягом 14 днів
Опис
Характеристики
Документи

Трансформатори струму вимірювальний FRER TAC005 1 А 1/1 - це вимірювальний пристрій, призначений для перетворення (масштабування) великих значень змінного струму до менших, безпечних для вимірювання стандартних значень. Він забезпечує гальванічну розв'язку між високовольтними силовими колами та колами вимірювання, захисту і керування.

Пристрій є ключовим елементом у системах комерційного та технічного обліку електроенергії, релейного захисту та моніторингу параметрів мережі.

Основні характеристики:

  • Первинний струм: 1 А
  • Клас точності: 0.5
  • Вторинний струм: 5 А
  • Тип трансформатора: вимірювальний
  • Тип: Не прохідний
  • Навантаження кл. точ. 0,5: 5 ВА
  • Коефіцієнт трансформації: 1/1
  • Серія: TAC005
  • Бренд: FRER

Переваги:
Висока точність: Забезпечує точні вимірювання відповідно до заявленого класу точності, що є критично важливим для комерційного обліку.
Ізолює вимірювальні прилади від високого потенціалу силової мережі, гарантуючи безпеку персоналу та обладнання.

✅ Гарантія якості: Продукція FRER відповідає високим європейським стандартам безпеки та якості.

Характеристики
English Description :
Primary wound CT 1/1A
Бренд :
FRER
Випробувальна напруга :
3 кВ x 1’ 50 Гц
Встановлення на DIN-рейку :
Так
Вторинний струм :
5 А
Динамічна стійкість :
2.5 x Ith
Клас ізоляції :
Клас E
Клас точності :
0.5
Коефіцієнт трансформації :
1/1
Країна походження :
Італія
Країна реєстрації бренду :
Італія
Максимальний переріз приєднання вторинних кіл :
6 мм²
Матеріал :
UL 94-V0
Монтаж на панель :
Так
Навантаження (кл. точ.0,5) :
5 ВА
Напруга ізоляції :
0.72 к В
Отвір для кабелю :
Ні мм
Отвір для шини :
Ні мм
Первинний струм :
1 А
Серія :
TAC005
Середнє напрацювання на відмову :
300 000 г, термін експлуатації 25 років год
Сертифікати :
IEC/EN 61869-1, IEC/EN 61869-2
Система фіксації шпильками :
Немає
Ступінь захисту :
20/00 IP
Температура експлуатації :
-25...+50 °C
Температура зберігання :
-40...+80 °C
Термічний струм :
40 In А
Тип трансформатора :
Вимірювальний
Тривале перевантаження :
1 In А
Фіксація шиною :
Немає
Частота мережі :
50/60 Гц
Тип :
Не прохідний
Дивіться також
Відгуки (0)
Написати відгук