VectorVS
Каталог
+38 (044) 369 51 57
Вимірювання та якість електроенергії
Промислова автоматизація та керування
Каталог товарів
Трансформатори напруги
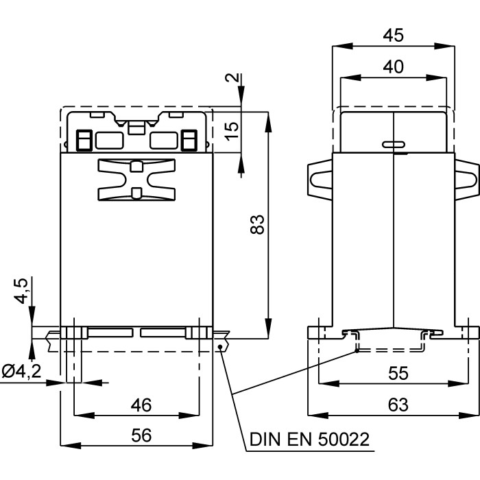
TTV003220XCO Трансформатор напруги DIN, 220/100В
Артикул: TTV003220XCO
Немає в наявності
0
Відгуків: 0
4125 грн
Повідомити
Доставка
Оплата
Гарантія та умови повернення
Самовивіз з нашого складу
безкоштовно
«Новою поштою» по Україні
за тарифами перевізника
 Кур'єром до дверей
від 70 грн.
Кредитною карткою
Розрахунковий рахунок
Повернення товару протягом 14 днів
Опис
Характеристики
Документи

TTV003220XCO Трансформатор напруги DIN, 220/100В

Характеристики
Бренд :
FRER
Випробувальна напруга :
3 кВ x 1’ 50 Гц
Клас ізоляції :
Клас E
Коефіцієнт трансформації :
220/100 В
Країна походження :
Італія
Країна реєстрації бренду :
Італія
Максимальний переріз приєднання вторинних кіл :
6 мм²
Матеріал :
UL 94-V0
Напруга ізоляції :
0.72 к В
Серія :
TTV003
Сертифікати :
IEC/EN 61869-1, IEC/EN 61869-3
Температура експлуатації :
-25...+50 °C
Температура зберігання :
-40...+80 °C
Тип трансформатора :
Вимірювальний
Тривале перевантаження :
1.2 Un А
Частота мережі :
50/60 Гц
Відгуки (0)
Написати відгук