Вимірювання та якість електроенергії
Захист та комутація електромереж
Промислова автоматизація та керування
Каталог товарів
Шини з отворами
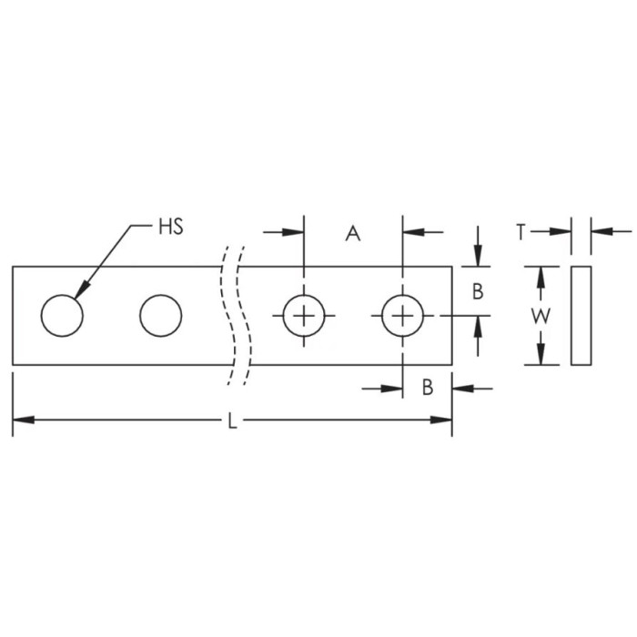
Шина мідна перфорована з отворами 10.5 мм ERICO 5x25х1750 мм (1.4 кг)
Артикул: 550400
Немає в наявності
12046 грн
Повідомити
Доставка
Оплата
Гарантія та умови повернення
Самовивіз з нашого складу
безкоштовно
«Новою поштою» по Україні
за тарифами перевізника
 Кур'єром до дверей
від 70 грн.
Кредитною карткою
Розрахунковий рахунок
Повернення товару протягом 14 днів
Опис
Характеристики
Документи

Особливості

  • Силове підключення для важких умов
  • Автоматичний вимикач, генератор і збірний провідник силової мережі
  • Альтернатива великим і кількома кабелям
  • З'єднання земля/земля
  • Розподіл потужності
  • Заокруглені краї


Характеристики
Бренд :
nVent Eriflex
Товщина :
5 мм
Ширина :
25 мм
Довжина :
1750 мм
A :
25 мм
B :
12.5 мм
Вага :
1.4 кг
Кількість в пакуванні :
1 шт
Країна походження :
Франція
Країна реєстрації бренду :
США
Матеріал :
Мідь
Розмір різьби :
10,5 TS1
Гарантійний термін :
12 місяців
Відгуки (0)
Написати відгук
Переглянуті товари
Захисна кришка Woehner
Артикул: 33351
843 грн
Клема Klemsan AVK 4 R прохідна 4 мм сіра
Акція
Клема Klemsan AVK 4 R прохідна 4 мм сіра
Артикул: 0.0.0.3.04390
30 грн
Роз'єм шинний nVent Eriflex FВС 5×4
Артикул: 553405
149 грн
Двері засклені 1800×800 nVent HOFFMAN DNG
Акція
Двері засклені 1800×800 nVent HOFFMAN DNG
Артикул: DNG1808R5
25836 грн
Комплект саморізів 5,5X13 (50шт) ETA WA21
Акція
Трансформатори струму
Wave Plus
Тримачі запобіжників
Контактори