Вимірювання та якість електроенергії
Захист та комутація електромереж
Промислова автоматизація та керування
Каталог товарів
DIN-рейки
Монтажна DIN-рейка Vector VS HDG 35x15mm з перфорацією (2m) (Galvanic)
Артикул: HDG3515S2
В наявності
429 грн
Замовлення кратне 1-му
Купити У кошику
Купити в 1 клік
Доставка
Оплата
Гарантія та умови повернення
Самовивіз з нашого складу
безкоштовно
«Новою поштою» по Україні
за тарифами перевізника
 Кур'єром до дверей
від 70 грн.
Кредитною карткою
Розрахунковий рахунок
Повернення товару протягом 14 днів
Опис
Характеристики
Документи

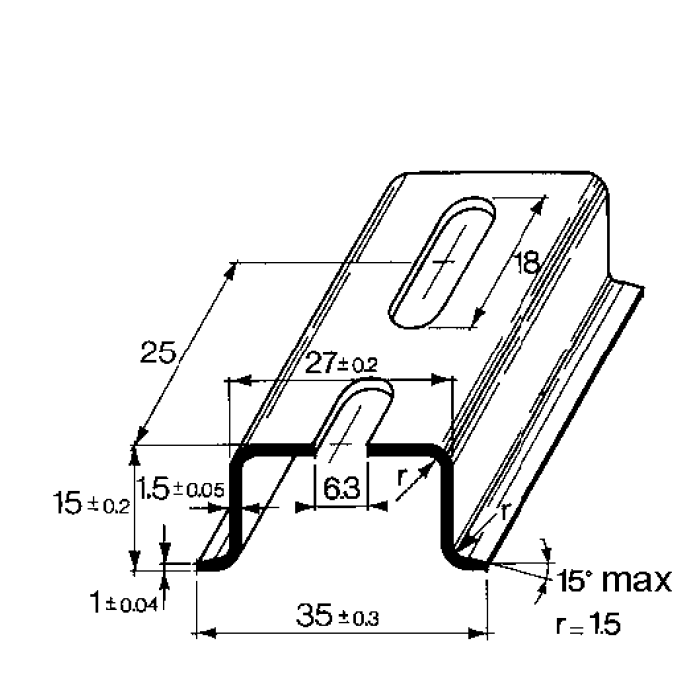
Монтажна DIN-рейка Vector VS GALVANIC 35×15 мм, перфорована, 2 м (HDG3515S2)

Перфорована DIN-рейка призначена для механічного кріплення модульного щитового обладнання (автоматичні вимикачі, реле, клемні блоки тощо) в електрощитах і шафах, забезпечуючи стандартизовану опору, спрощує монтаж та обслуговування.

Ключові технічні переваги:


  • Матеріал і покриття. Сталь з гальванічним оцинкованим покриттям (електролітичне цинкування): підвищена корозійна стійкість для експлуатації в умовах підвищеної вологості або запиленості, що зменшує ризик пошкоджень поверхні і продовжує ресурс кріплення.
  • Профіль. Довжина 2000 мм, ширина 35 мм, глибина 15 мм, товщина 1.5 мм: компактний стандартний профіль, який дозволяє економити місце всередині щита при збереженні сумісності зі стандартними модульними кліпсами і аксесуарами.
  • Перфорація по довжині: гнучкість позиціонування фіксаторів і кріпильних елементів без додаткового свердління — скорочує час монтажу і зменшує ймовірність помилок при розмітці.

Відповідність модульній системі: сумісність з усім модульним обладненням та аксесуарами спрощує підбір компонентів і заміну приладів у процесі експлуатації.

Характеристики:


  • Бренд — Vector VS;
  • Серія - GALVANIC
  • Тип — монтажна DIN-рейка, перфорована;
  • Розміри — 35×15 мм;
  • Довжина — 2000 мм;
  • Товщина матеріалу — 1.5 мм;
  • Матеріал — сталь з гальванічним оцинкованим покриттям;
  • Країна походження — Італія;
  • Країна реєстрації бренду — Україна;

Vector VS - новий стандарт якості

Характеристики
Бренд :
Vector VS
Глибина :
15 мм
Довжина :
2000 мм
Країна походження :
Італія
Країна реєстрації бренду :
Україна
Матеріал :
Сталь
Покриття :
Цинк (гальваніка)
Розмір отвору :
6.3 × 18 мм
Товщина :
1.5 мм
Ширина :
35 мм
Відгуки (0)
Написати відгук
Переглянуті товари
Шкала амперметра FRER ZF 75/5A
Акція
Шкала амперметра FRER ZF 75/5A
Артикул: ZF72EAX075C05
192 грн
Теплове реле ISKRA BR7/9-12,5
Акція
Теплове реле ISKRA BR7/9-12,5
Артикул: 786050584000
993 грн
Сигнальний вимикач Woehner для Quadron 160A
Акція
Теплове реле ISKRA BR7/7,2-10
Акція
Теплове реле ISKRA BR7/7,2-10
Артикул: 786050583000
993 грн
Конденсатор RTR Energia DWCAP RCT 20 кВАр 400V 7%
Артикул: D4002005TER7RCT
4934 грн
Контактор LS ELECTRIC MC-32A AC380V 50Hz SCREW 1a1b
Артикул: 1336008800
За запитом
Трансформатори струму
Wave Plus
Тримачі запобіжників
Контактори