Вимірювання та якість електроенергії
Промислова автоматизація та керування
Каталог товарів
Заземлення
Плетена шина nVent Eriflex MBJ 70-500-10
Артикул: 563490
В наявності
1711 грн
Замовлення кратне 1-му
Купити У кошику
Купити в 1 клік
Доставка
Оплата
Гарантія та умови повернення
Самовивіз з нашого складу
безкоштовно
«Новою поштою» по Україні
за тарифами перевізника
 Кур'єром до дверей
від 70 грн.
Кредитною карткою
Розрахунковий рахунок
Повернення товару протягом 14 днів
Опис
Характеристики
Документи

Заземлювальні та з'єднувальні плетені шини MBJ - це надійне і зручне рішення для заземлення, яке вимагає гнучкості та довговічності. Заземлювальні плетені шини з лудженої міді з суцільними майданчиками готові до монтажу без додаткового різання, зачистки, обтиску або штампування і не вимагають додавання олова або обтискних наконечників. Запатентований виробничий процес оптимізує електричний контакт між кожним дротом і допомагає усунути проблеми з вологою в майданчиках, запобігаючи корозії і продовжуючи термін служби плетеної шини.


Особливості:


Повний асортимент гнучких з'єднань заземлення/заземлення з перерізом 6 - 100 мм² і довжиною 100 - 500 мм

Цілісний майданчик, без олов'яних або обтискних наконечників для чудового електричного контакту і стійкості до розтягування

Стійкий до вібрації та втоми, що зменшує потребу в технічному обслуговуванні

Забезпечує зниження ваги, економію матеріалів і нижчий імпеданс у порівнянні з аналогічними кабелями з ізоляцією з наконечниками.

Готовий до використання з коробки, усуває необхідність різання, зачистки, обтиску та пробивання.

Швидкий і простий в установці.

Рекомендовано директивами EMC/EMI і має менший імпеданс, ніж кабелі

Сумісний з EAC

Відповідає вимогам RoHS

Відповідає стандарту ISO 6469-1


Характеристики
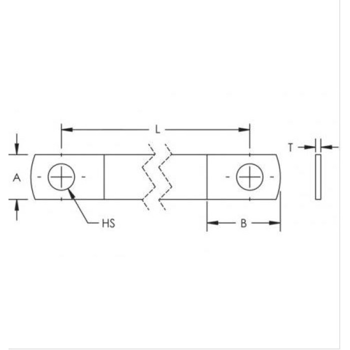
A :
28 мм
B :
33 мм
Інформація про сертифікацію :
cUL, UL, RoHS, Bureau Veritas, UKCA, ERIFLEX MB, UL® 467
Бренд :
nVent Eriflex
Відповідно до :
IEC® 60439.1; IEC® 61439.1
Вага :
0.34 кг
Гарантійний термін :
12 місяців
Довжина :
500 мм
Кількість в пакуванні :
1 шт
Країна походження :
Франція
Країна реєстрації бренду :
США
Матеріал :
Мідь луджена
Номінальний струм :
290 А
Переріз :
70 мм²
Розмір отвору 1 (HS1) :
10.5 мм
Температура експлуатації :
105 °C
Товщина :
3.4 мм
Дивіться також
Плетена шина nVent Eriflex MBJ70-300-6
Артикул: 563450
2948 грн
Плетена шина nVent Eriflex MBJ 50-200-6
Акція
Плетена шина nVent Eriflex MBJ 50-200-6
Артикул: 563350
873 грн
Плетена шина nVent Eriflex MBJ 35-500-10
Акція
Плетена шина nVent Eriflex MBJ 35-500-10
Артикул: 556970
802 грн
Плетена шина nVent Eriflex MBJ 100-250-16
Артикул: 563500
4045 грн
Шина заземлення nVent Eriflex EB 44 462 мм
Акція
Плетена шина nVent Eriflex MBJ 50-200-12
Артикул: 563440
1810 грн
Роз'єм для заземлення nVent Eriflex EC 16² 12X5
Акція
Плетена шина nVent Eriflex MBJ 50-300-6
Артикул: 563380
1941 грн
Плетена шина nVent Eriflex MBJ 50-250-10
Артикул: 556850
1625 грн
Силова плетена шина nVent Eriflex MBJ 10-200-6
Акція
Відгуки (0)
Написати відгук
Трансформатори струму
Wave Plus
Тримачі запобіжників
Контактори