Вимірювання та якість електроенергії
Захист та комутація електромереж
Промислова автоматизація та керування
Каталог товарів
Шина плетена в ізоляції
Шина мідна плетена в ізоляції луджена nVent Eriflex IBS 120-430-10
Артикул: 534515
В наявності
8050 грн
Замовлення кратне 1-му
Купити У кошику
Купити в 1 клік
Доставка
Оплата
Гарантія та умови повернення
Самовивіз з нашого складу
безкоштовно
«Новою поштою» по Україні
за тарифами перевізника
 Кур'єром до дверей
від 70 грн.
Кредитною карткою
Розрахунковий рахунок
Повернення товару протягом 14 днів
Опис
Характеристики
Документи

Шина мідна плетена в ізоляції луджена nVent Eriflex IBS 120-430-10 — це інноваційне рішення для високоефективної і безпечної передачі електричної енергії, що забезпечує надійність, гнучкість і високу провідність у різноманітних промислових застосуваннях. Ідеально підходить для електричних щитів, енергетичних мереж та автоматизованих систем.

 

Основні переваги:

  • Висока провідність — витримує навантаження до 430 А, що забезпечує стабільну та безпечну роботу електричних систем.
  • Гнучкість — шина легко монтується навіть у важкодоступних або обмежених просторах.
  • Термостійка ізоляція — спеціальна оболонка, яка підвищує безпеку та стійкість до високих температур.
  • Луджена мідь — покращена корозійна стійкість та зниження втрат на контактних з’єднаннях.
  • Екологічність — не містить ПВХ, відповідає сучасним екологічним стандартам безпеки.

 

Технічні характеристики:

  • Розмір: 120×430 мм
  • Кількість шарів: 10
  • Довжина: 10 метрів
  • Матеріал провідника: луджена мідь
  • Номінальний струм: 430 А
  • Температурний діапазон: до +115°C постійної роботи
  • Клас вогнестійкості: UL94-V0

Застосування:

  • Промислові електрощити
  • Центри обробки даних
  • Сонячні електростанції
  • Енергетичні та телекомунікаційні об'єкти
  • Автоматизація та інші промислові застосування

Купити шину nVent Eriflex IBS 120-430-10 за найкращою ціною

В нашому каталозі ви можете замовити шину плетену в ізоляції луджену nVent Eriflex IBS 120-430-10 з офіційною гарантією виробника та швидкою доставкою по Україні. Опт і роздріб, професійна консультація та підтримка.

Зв’яжіться з нами або оформіть замовлення онлайн просто зараз!

Характеристики
Бренд :
nVent Eriflex
Типовий номінальний струм :
400 А
Переріз :
120 мм²
Довжина :
430 мм
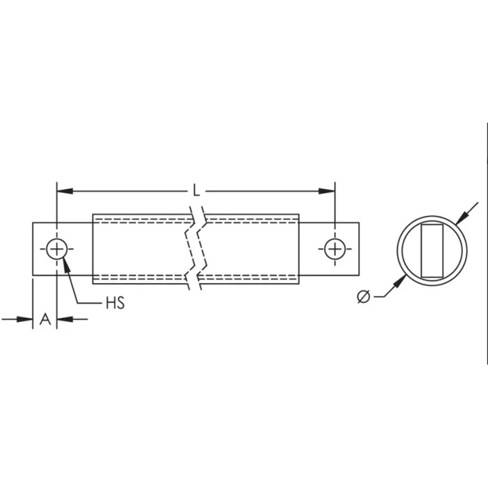
A :
12 мм
Розмір отвору 1 (HS1) :
10.5 мм
Товщина ізоляції :
1.8 мм
Товщина провідника :
10 мм
Ширина провідника :
24 мм
Діаметр :
27 мм
Діаметр дроту :
0.15 мм
Діаметр кріпильного отвору :
10.5 мм
Максимальна робоча напруга :
600 В
Максимальна робоча напруга, EN 50264-3-1 :
6000 В
Максимальна робоча напруга, UL/CSA/IEC :
1000; 1500 В
Температура експлуатації :
-50...+115 °C
Діелектрична міцність :
20 кВ/мм
Вага :
0.66 кг
Матеріал :
Мідь
Покриття :
Лудження
Матеріал ізоляції :
Термопластичний еластомер
Подовжуюча здатність ізоляції :
500 %
Відповідно до :
IEC® 60439.1; IEC® 60695-2-11 (випробування розжареним дротом 960 °C); IEC® 61439.1; IEC® 61439.1 клас II
Відсутність галогенів згідно із :
UL® 2885; IEC® 60754-1; IEC® 62821-1
Інформація про сертифікацію :
UL® 67; UL® 758
Рейтинг займистості :
UL® 94V-0
Рейтинг стійкості до ультрафіолету :
UL® 854; UL® 2556
Низький рейтинг диму :
IEC® 61034-2; ISO 5659-2; UL® 2885
Гарантійний термін :
12 місяців
Кількість в пакуванні :
1 шт
Країна реєстрації бренду :
США
Країна походження :
Франція
Сертифікати
1757268203_№1. Сертифікат відповідності IEC про напругу.pdf 1757268203_№2. Декларація відповідності європейським директивам.pdf 1757268203_№3. Сертифікат відповідності UL 891 та CSA C22.2 № 244-05.pdf 1757268203_№4. Сертифікат відповідності UL 758 та CSA C22.2 № 210.pdf 1757268203_№5. Сертифікат про тест розжареним дротом.pdf 1757268204_№6. Сертифікат про оцінку дизайну продукту.pdf 1757268204_№7. Сертифікат затвердження типу (№1).pdf 1757268204_№8. Дозвіл на нанесення знаку UL.pdf 1757268204_№9. Сертифікат про вогнестійкість класу HL3.pdf 1757268204_№10. Сертифікат про рівень димовиділення.pdf 1757268204_№11. Документ синтезу.pdf 1757268204_№12. Сертифікат затвердження типу (№2).pdf 1757268204_№13. Сертифікат відповідності CSA.pdf 1757268204_№14. Сертифікат відповіднсоті UL94-V0.pdf 1757268204_Декларація про відповідність щодо вимог California Proposition 65.pdf 1757268204_Декларація про відповідність щодо вимог REACH Regulation (EC 1907-2006).pdf 1757268204_Декларація про відповідність щодо вимог RoHS Directive 2011-65-EU та поправки 2015-863-EU.pdf 1757268204_Декларація про відповідність щодо вимог Toxic Substances Control Act (TSCA).pdf
Відгуки (0)
Написати відгук
Переглянуті товари
Ножовий запобіжник Italweber gG NH2 315A
Акція
Утримувач Custo D02 Woehner запобіжників, 60mm
Акція
Запобіжник Italweber 7,2кВ 160А
Артикул: 1904160
6390 грн
Трансформатори струму
Wave Plus
Тримачі запобіжників
Контактори