Вимірювання та якість електроенергії
Захист та комутація електромереж
Промислова автоматизація та керування
Каталог товарів
Шина плетена в ізоляції
Шина мідна плетена в ізоляції луджена nVent Eriflex IBS 50-530-10
Артикул: 534510
В наявності
3229 грн
Замовлення кратне 1-му
Купити У кошику
Купити в 1 клік
Доставка
Оплата
Гарантія та умови повернення
Самовивіз з нашого складу
безкоштовно
«Новою поштою» по Україні
за тарифами перевізника
 Кур'єром до дверей
від 70 грн.
Кредитною карткою
Розрахунковий рахунок
Повернення товару протягом 14 днів
Опис
Характеристики
Документи

Шина мідна плетена в ізоляції луджена nVent Eriflex IBS 50-530-10 — це передове рішення для ефективної та безпечної передачі електричної енергії в різних промислових та електричних системах. Ця шина забезпечує високу провідність, гнучкість та зручність в монтажі, що робить її ідеальним вибором для розподільчих щитів, центів обробки даних та інших енергетичних об'єктів.

 

Основні переваги:

  • Висока проводимість — витримує навантаження до 530 А, забезпечуючи стабільну роботу електричних мереж.
  • Гнучкість — легко монтується в обмежених просторах та складних умовах.
  • Якісна ізоляція — термостійка оболонка знижує ризик коротких замикань та підвищує безпеку експлуатації.
  • Лудження провідників — покращує корозійну стійкість і зменшує втрати на контактних з’єднаннях.
  • Екологічність — не містить ПВХ, відповідає сучасним екологічним стандартам.

 

Технічні характеристики:

  • Розмір: 50×530 мм
  • Кількість шарів: 10
  • Довжина: 10 метрів
  • Матеріал провідника: луджена мідь
  • Номінальний струм: 530 А
  • Температурний діапазон: до +115°C постійної роботи
  • Клас вогнестійкості: UL94-V0

Застосування:

  • Промислові електрощити
  • Центри обробки даних
  • Сонячні електростанції
  • Енергетичні та телекомунікаційні об'єкти
  • Автоматизація та інші промислові застосування

Купити шину nVent Eriflex IBS 50-530-10 за найкращою ціною

В нашому каталозі ви можете замовити шину плетену в ізоляції луджену nVent Eriflex IBS 50-530-10 з офіційною гарантією виробника та швидкою доставкою по Україні. Опт і роздріб, професійна консультація та підтримка.

Зв’яжіться з нами або оформіть замовлення онлайн просто зараз!

Характеристики
Бренд :
nVent Eriflex
Типовий номінальний струм :
250 А
Переріз :
50 мм²
Довжина :
530 мм
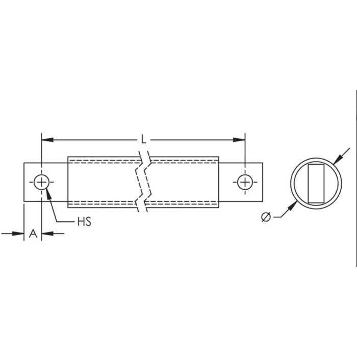
A :
12 мм
B :
12 мм
C :
27 мм
D :
8 мм
Розмір отвору 1 (HS1) :
10.5 мм
Розмір отвору 2 (HS2) :
10.5 мм
Товщина ізоляції :
1.8 мм
Товщина провідника :
2.8 мм
Ширина провідника :
20 мм
Діаметр дроту :
0.15 мм
Максимальна робоча напруга :
600 В
Максимальна робоча напруга, EN 50264-3-1 :
6000 В
Максимальна робоча напруга, UL/CSA/IEC :
1000; 1500 В
Температура експлуатації :
-50...+115 °C
Діелектрична міцність :
20 кВ/мм
Вага :
0.35 кг
Матеріал :
Мідь
Покриття :
Лудження
Матеріал ізоляції :
Термопластичний еластомер
Подовжуюча здатність ізоляції :
500 %
Максимальний струм короткого замикання :
30 А
Відповідно до :
IEC® 60439.1; IEC® 60695-2-11 (випробування розжареним дротом 960 °C); IEC® 61439.1; IEC® 61439.1 клас II
Відсутність галогенів згідно із :
UL® 2885; IEC® 60754-1; IEC® 62821-1
Інформація про сертифікацію :
UL® 67; UL® 758
Рейтинг займистості :
UL® 94V-0
Рейтинг стійкості до ультрафіолету :
UL® 854; UL® 2556
Низький рейтинг диму :
IEC® 61034-2; ISO 5659-2; UL® 2885
Гарантійний термін :
12 місяців
Кількість в пакуванні :
1 шт
Країна реєстрації бренду :
США
Країна походження :
Франція
Сертифікати
1757268203_№1. Сертифікат відповідності IEC про напругу.pdf 1757268203_№2. Декларація відповідності європейським директивам.pdf 1757268203_№3. Сертифікат відповідності UL 891 та CSA C22.2 № 244-05.pdf 1757268203_№4. Сертифікат відповідності UL 758 та CSA C22.2 № 210.pdf 1757268203_№5. Сертифікат про тест розжареним дротом.pdf 1757268204_№6. Сертифікат про оцінку дизайну продукту.pdf 1757268204_№7. Сертифікат затвердження типу (№1).pdf 1757268204_№8. Дозвіл на нанесення знаку UL.pdf 1757268204_№9. Сертифікат про вогнестійкість класу HL3.pdf 1757268204_№10. Сертифікат про рівень димовиділення.pdf 1757268204_№11. Документ синтезу.pdf 1757268204_№12. Сертифікат затвердження типу (№2).pdf 1757268204_№13. Сертифікат відповідності CSA.pdf 1757268204_№14. Сертифікат відповіднсоті UL94-V0.pdf 1757268204_Декларація про відповідність щодо вимог California Proposition 65.pdf 1757268204_Декларація про відповідність щодо вимог REACH Regulation (EC 1907-2006).pdf 1757268204_Декларація про відповідність щодо вимог RoHS Directive 2011-65-EU та поправки 2015-863-EU.pdf 1757268204_Декларація про відповідність щодо вимог Toxic Substances Control Act (TSCA).pdf
Відгуки (0)
Написати відгук
Переглянуті товари
Запобіжник Italweber 12кВ 25А
Артикул: 1900025
3866 грн
Запобіжник Italweber 12кВ 125А
Артикул: 1900125
7484 грн
Запобіжник Italweber 12кВ 50А
Артикул: 1900050
4410 грн
Запобіжник Italweber 12кВ 10А
Артикул: 1900010
2605 грн
Запобіжник Italweber FMT 6,3A 36кВ 50N
Артикул: 1903006
4110 грн
Трансформатори струму
Wave Plus
Тримачі запобіжників
Контактори