Вимірювання та якість електроенергії
Промислова автоматизація та керування
Каталог товарів
Заземлення
Плетена шина nVent Eriflex MBJ 50-150-10
Артикул: 556830
В наявності
1309 грн
Замовлення кратне 1-му
Купити У кошику
Купити в 1 клік
Доставка
Оплата
Гарантія та умови повернення
Самовивіз з нашого складу
безкоштовно
«Новою поштою» по Україні
за тарифами перевізника
 Кур'єром до дверей
від 70 грн.
Кредитною карткою
Розрахунковий рахунок
Повернення товару протягом 14 днів
Опис
Характеристики
Документи

Заземлювальні та з'єднувальні плетені шини MBJ - це надійне і зручне рішення для заземлення, яке вимагає гнучкості та довговічності. Заземлювальні плетені шини з лудженої міді з суцільними майданчиками готові до монтажу без додаткового різання, зачистки, обтиску або штампування і не вимагають додавання олова або обтискних наконечників. Запатентований виробничий процес оптимізує електричний контакт між кожним дротом і допомагає усунути проблеми з вологою в майданчиках, запобігаючи корозії і продовжуючи термін служби плетеної шини.


Особливості:


Повний асортимент гнучких з'єднань заземлення/заземлення з перерізом 6 - 100 мм² і довжиною 100 - 500 мм

Цілісний майданчик, без олов'яних або обтискних наконечників для чудового електричного контакту і стійкості до розтягування

Стійкий до вібрації та втоми, що зменшує потребу в технічному обслуговуванні

Забезпечує зниження ваги, економію матеріалів і нижчий імпеданс у порівнянні з аналогічними кабелями з ізоляцією з наконечниками.

Готовий до використання з коробки, усуває необхідність різання, зачистки, обтиску та пробивання.

Швидкий і простий в установці.

Рекомендовано директивами EMC/EMI і має менший імпеданс, ніж кабелі

Сумісний з EAC

Відповідає вимогам RoHS

Відповідає стандарту ISO 6469-1


Характеристики
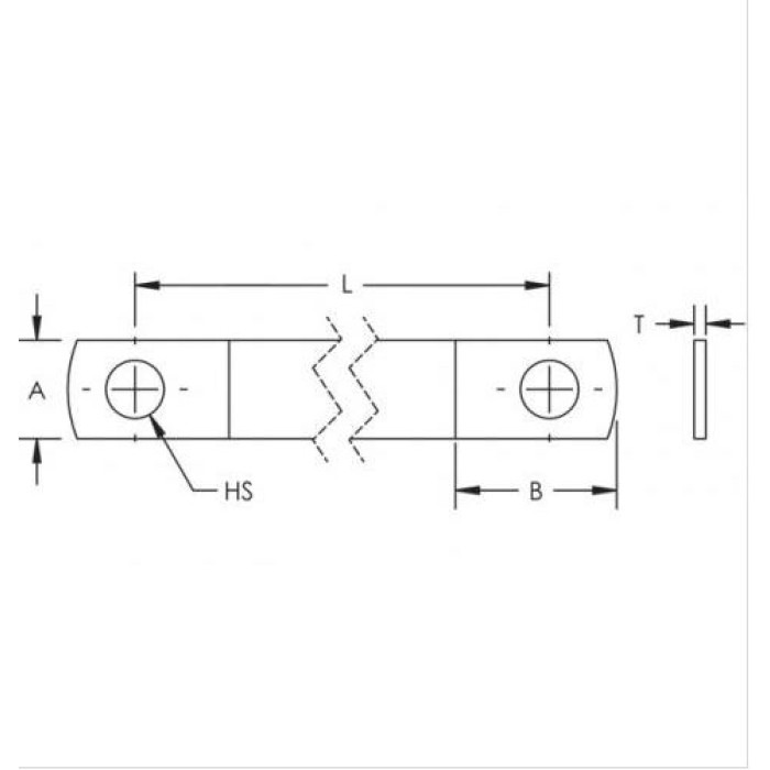
A :
28 мм
B :
33 мм
Інформація про сертифікацію :
cUL, UL, RoHS, Bureau Veritas, UKCA, ERIFLEX MB, UL® 467
Бренд :
nVent Eriflex
Відповідно до :
IEC® 60439.1; IEC® 61439.1
Вага :
0.08 кг
Гарантійний термін :
12 місяців
Довжина :
150 мм
Кількість в пакуванні :
1 шт
Країна походження :
Франція
Країна реєстрації бренду :
США
Матеріал :
Мідь луджена
Номінальний струм :
250 А
Переріз :
50 мм²
Розмір отвору 1 (HS1) :
10.5 мм
Температура експлуатації :
105 °C
Товщина :
2.5 мм
Дивіться також
Плетена шина nVent Eriflex MBJ 25-300-8
Артикул: 555201
1095 грн
Відключаюча система nVent Eriflex PEN-D 300²
Акція
Плетена шина nVent Eriflex MBJ 25-150-10
Артикул: 556680
757 грн
Шина заземлення EB 142 1000 мм
Артикул: 568668
5752 грн
Плетена шина nVent Eriflex MBJ 25-250-10
Акція
Плетена шина nVent Eriflex MBJ 25-250-10
Артикул: 556700
417 грн
Плетена шина nVent Eriflex MBJ 50-100-10
Артикул: 556820
1031 грн
Плетена шина nVent Eriflex MBJ 50-200-10
Акція
Плетена шина nVent Eriflex MBJ 50-200-10
Артикул: 556840
873 грн
Плетена шина nVent Eriflex MBJ 16-500-8
Артикул: 556940
1090 грн
Плетена шина nVent Eriflex MBJ 25-200-6
Артикул: 563340
946 грн
Плетена шина nVent Eriflex MBJ 50-200-6
Акція
Плетена шина nVent Eriflex MBJ 50-200-6
Артикул: 563350
873 грн
Плетена шина nVent Eriflex MBJ70-300-6
Артикул: 563450
2948 грн
Плетена шина nVent Eriflex MBJ 35-500-10
Акція
Плетена шина nVent Eriflex MBJ 35-500-10
Артикул: 556970
802 грн
Відгуки (0)
Написати відгук
Трансформатори струму
Wave Plus
Тримачі запобіжників
Контактори