Вимірювання та якість електроенергії
Промислова автоматизація та керування
Каталог товарів
Затискачі шин та кабеля
Шинний затискач nVent Eriflex FC 50×32
Артикул: 553030
В наявності
1129 грн
Замовлення кратне 1-му
Купити У кошику
Купити в 1 клік
Доставка
Оплата
Гарантія та умови повернення
Самовивіз з нашого складу
безкоштовно
«Новою поштою» по Україні
за тарифами перевізника
 Кур'єром до дверей
від 70 грн.
Кредитною карткою
Розрахунковий рахунок
Повернення товару протягом 14 днів
Опис
Характеристики
Документи

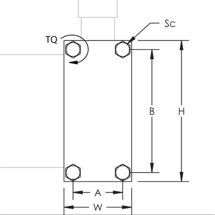
Затискач шин шириною 50 мм та провідника шириною до 32 мм


особливості


  • Підключає nVent ERIFLEX Flexibar до мідної шини
  • Дві пластини в комплекті з гвинтами
  • Забезпечує чудовий електричний контакт
  • Встановлюється швидко і легко
  • Ідеально підходить для модифікацій на сайті
  • Відповідає RoHS

Характеристики
A :
44 мм
B :
60 мм
Болт :
М8
Бренд :
nVent Eriflex
Вага :
0.362 кг
Висота :
75 мм
Гарантійний термін :
12 місяців
Для шини шириною :
50 мм
Здатність затискання :
20
Кількість в пакуванні :
1 шт
Клас якості :
8.8
Країна походження :
Франція
Країна реєстрації бренду :
США
Матеріал :
Сталь
Обертаючий момент :
10 Н·м
Покриття :
Гальванізація
Ширина :
60 мм
Ширина провідника :
32 мм
Дивіться також
Шинний затискач nVent Eriflex FC 80×50
Артикул: 553070
2264 грн
Зажим для шин nVent Eriflex
Акція
Зажим для шин nVent Eriflex
Артикул: 553110
5893 грн
Шинний затискач nVent Eriflex ВС 30
Акція
Шинний затискач nVent Eriflex ВС 30
Артикул: 553200
2241 грн
Шинний затискач nVent Eriflex ВС 40
Акція
Шинний затискач nVent Eriflex ВС 40
Артикул: 553210
2636 грн
Шинний затискач nVent Eriflex ВС 50
Акція
Шинний затискач nVent Eriflex ВС 50
Артикул: 553220
3300 грн
Шинний затискач nVent Eriflex ВС 63
Акція
Шинний затискач nVent Eriflex ВС 63
Артикул: 553230
4087 грн
Роз'єм шинний nVent Eriflex FВС 5×6
Артикул: 553400
195 грн
Роз'єм шинний nVent Eriflex FВС 10×9
Артикул: 553440
344 грн
Шинний затискач nVent Eriflex FC 50×40
Артикул: 553040
2160 грн
Роз'єм шинний nVent Eriflex FВС 5×15,5
Акція
Роз'єм шинний nVent Eriflex FВС 5×15,5
Артикул: 553510
431 грн
Шинний затискач nVent Eriflex BC 80
Акція
Шинний затискач nVent Eriflex BC 80
Артикул: 553250
5769 грн
Роз'єм шинний nVent Eriflex FВС 5×20
Артикул: 553520
461 грн
Шинний затискач nVent Eriflex FC 120×32
Акція
Шинний затискач nVent Eriflex FC 120×32
Артикул: 568730
1856 грн
Роз'єм шинний nVent Eriflex FВС 10×15,5
Акція
Роз'єм шинний nVent Eriflex FВС 10×15,5
Артикул: 553530
413 грн
Відгуки (0)
Написати відгук
Шинотрмичі
Трансформатори струму
Wave Plus
Тримачі запобіжників