VectorVS
Каталог
+38 (044) 369 51 57
Вимірювання та якість електроенергії
Промислова автоматизація та керування
Каталог товарів
Шинотримачі
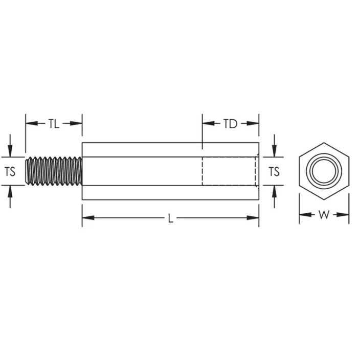
561820 Металева проставка 70М6
Артикул: 561820
Немає в наявності
0
Відгуків: 0
218 грн
Повідомити
Доставка
Оплата
Гарантія та умови повернення
Самовивіз з нашого складу
безкоштовно
«Новою поштою» по Україні
за тарифами перевізника
 Кур'єром до дверей
від 70 грн.
Кредитною карткою
Розрахунковий рахунок
Повернення товару протягом 14 днів
Опис
Характеристики
Документи

Металева проставка, різьба М6, 70 мм


особливості


  • Для виготовлення більш високих плит, екранів або профілів
  • Палець-жінка, що забезпечує стабільне кріплення

Характеристики
Бренд :
nVent Eriflex
Вага :
0.04 кг
Гарантійний термін :
12 місяців
Глибина різьби (TD) :
10 мм
Довжина :
70 мм
Довжина різьби (TL) :
10 мм
Країна походження :
Франція
Країна реєстрації бренду :
США
Матеріал :
Сталь
Покриття :
Гальванізація
Розмір різьби :
M6 TS1
Ширина :
10 мм
Відгуки (0)
Написати відгук