VectorVS
Каталог
+38 (044) 369 51 57
Вимірювання та якість електроенергії
Промислова автоматизація та керування
Каталог товарів
Шинотримачі
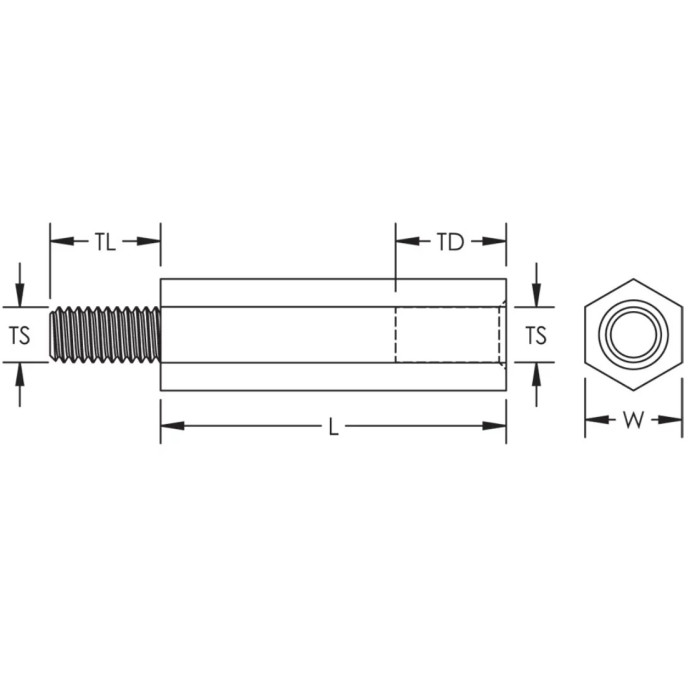
561800 Металева проставка 50М6
Артикул: 561800
В наявності
0
Відгуків: 0
153 грн
Замовлення кратне 1-му
Купити У кошику
Купити в 1 клік
Доставка
Оплата
Гарантія та умови повернення
Самовивіз з нашого складу
безкоштовно
«Новою поштою» по Україні
за тарифами перевізника
 Кур'єром до дверей
від 70 грн.
Кредитною карткою
Розрахунковий рахунок
Повернення товару протягом 14 днів
Опис
Характеристики
Документи

Металева проставка, різьба M6, 50 мм


особливості


  • Для виготовлення більш високих плит, екранів або профілів
  • Палець-жінка, що забезпечує стабільне кріплення

Характеристики
Бренд :
nVent Eriflex
Вага :
0.03 кг
Гарантійний термін :
12 місяців
Глибина різьби (TD) :
10 мм
Довжина :
50 мм
Довжина різьби (TL) :
10 мм
Країна походження :
Франція
Країна реєстрації бренду :
США
Матеріал :
Сталь
Покриття :
Гальванізація
Розмір різьби :
M6 TS1
Ширина :
10 мм
Відгуки (0)
Написати відгук
Переглянуті товари