Вимірювання та якість електроенергії
Захист та комутація електромереж
Промислова автоматизація та керування
Каталог товарів
Захисні екрани та проставки
Проставка nVent Eriflex DH 120M5
Артикул: 560650
В наявності
322 грн
Замовлення кратне 1-му
Купити У кошику
Купити в 1 клік
Доставка
Оплата
Гарантія та умови повернення
Самовивіз з нашого складу
безкоштовно
«Новою поштою» по Україні
за тарифами перевізника
 Кур'єром до дверей
від 70 грн.
Кредитною карткою
Розрахунковий рахунок
Повернення товару протягом 14 днів
Опис
Характеристики
Документи

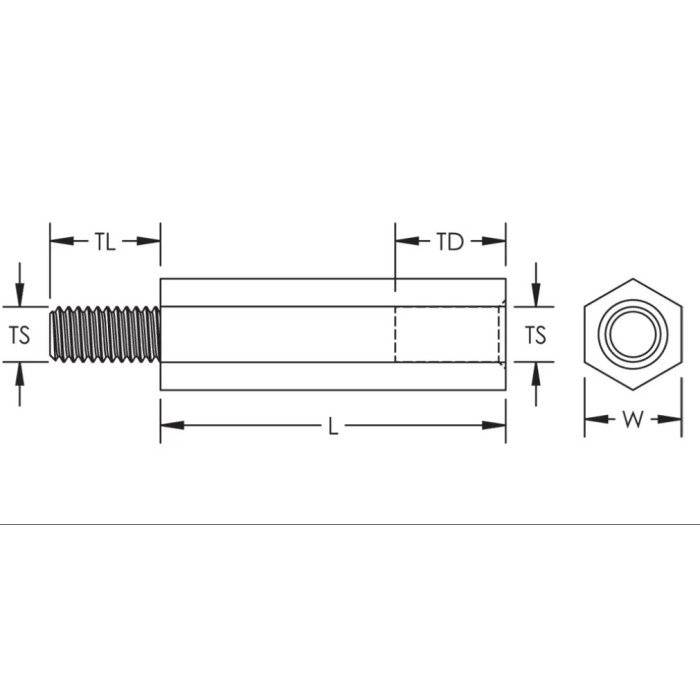
Дистанційний тримач і розпірка, різьба M5, 120 мм


особливості


  • Для виготовлення більш високих плит, екранів або профілів
  • Палець-жінка, що забезпечує стабільне кріплення
  • Електротехнічні застосування

Характеристики
Бренд :
nVent Eriflex
Вага :
0.02 кг
Гарантійний термін :
12 місяців
Глибина різьби (TD) :
7 мм
Довжина :
120 мм
Довжина різьби (TL) :
7 мм
Кількість в пакуванні :
1 шт
Країна походження :
Франція
Країна реєстрації бренду :
США
Матеріал :
Сталь. Полістирол
Напруга ізоляції :
1000 В
Рейтинг займистості :
UL® 94HB
Розмір різьби :
M5 TS1
Температура експлуатації :
80 °C
Фінішне покриття :
Гальванізація
Ширина :
13 мм
Відгуки (0)
Написати відгук
Wave Plus
Тримачі запобіжників
Контактори