Вимірювання та якість електроенергії
Захист та комутація електромереж
Промислова автоматизація та керування
Каталог товарів
Ваттметри
Ваттметр FRER F96W 90˚ 1MWt 5A/100V
Артикул: F14WT
Немає в наявності
За запитом
Повідомити
Доставка
Оплата
Гарантія та умови повернення
Самовивіз з нашого складу
безкоштовно
«Новою поштою» по Україні
за тарифами перевізника
 Кур'єром до дверей
від 70 грн.
Кредитною карткою
Розрахунковий рахунок
Повернення товару протягом 14 днів
Опис
Характеристики
Документи

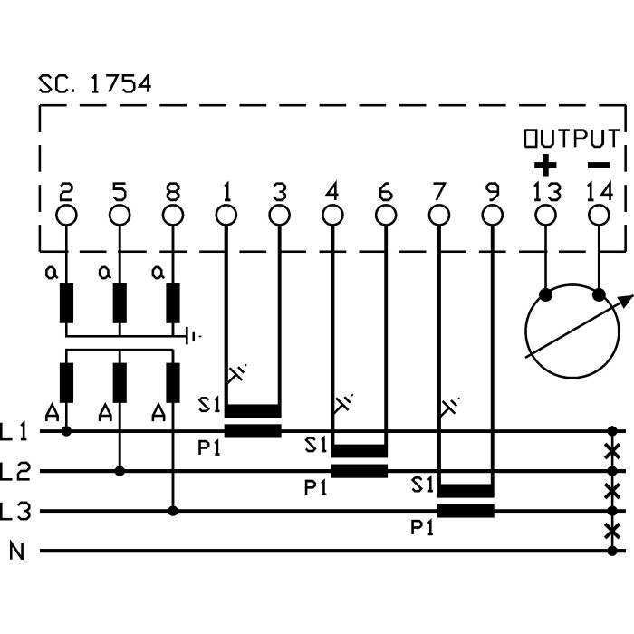
Ваттметр FRER F96W 90˚ 1MWt 5 A/100 В призначений для вимірювання показників в електричних колах промислових і щитових електроустановок. Пристрій забезпечує точні показники та надійність роботи.

Основні характеристики:

  • Шкала: 1MWt
  • Вхід: 5 A/100 В
  • Номінальне навантаження: 0.5 ВА (5 А) , 3 ВА (100 В)
  • Розворот шкали: 90˚
  • Тип: AC
  • Габаритні розміри: 144 × 144
  • Тип включення: Трансформаторний / Трансформаторний
  • Тип пристрою: Ваттметр
  • Серія: F96W
  • Бренд: FRER

Переваги: висока точність вимірювань, надійність у промислових умовах та зручність монтажу.

✅ Гарантія якості: Продукція FRER відповідає високим європейським стандартам безпеки та якості.

Характеристики
A :
144 мм
B :
137 мм
C :
138 мм
D :
46 мм
Бренд :
FRER
Випробувальна напруга :
2 кВ, 50 Гц – 60 с
Вхід :
5 A/100 В
Габаритні розміри :
144 × 144 мм
Клас точності :
1.5
Короткочасне перевантаження :
10 In/2 Un
Країна походження :
Італія
Країна реєстрації бренду :
Італія
Напруга ізоляції :
600 В
Номінальне навантаження :
0.5 ВА (5 А) , 3 ВА (100 В) Вт
Робоча частота :
45–65 Гц
Розворот шкали :
90˚
Серія :
F...W
Стандарти :
CEI-DIN-VDE-IEC
Ступінь захисту корпусу :
52/0 IP
Температура експлуатації :
-25...+50 °C
Температура зберігання :
-40...+80 °C
Тип :
AC
Тип включення :
Трансформаторний / Трансформаторний
Тип з'єднання :
3-х фазний, 3-х провідний
Тип пристрою :
Ваттметр
Тривале перевантаження :
1.2 In/1.2 Un А
Шкала :
1MWt
Відгуки (0)
Написати відгук
Трансформатори струму
Wave Plus
Тримачі запобіжників
Контактори